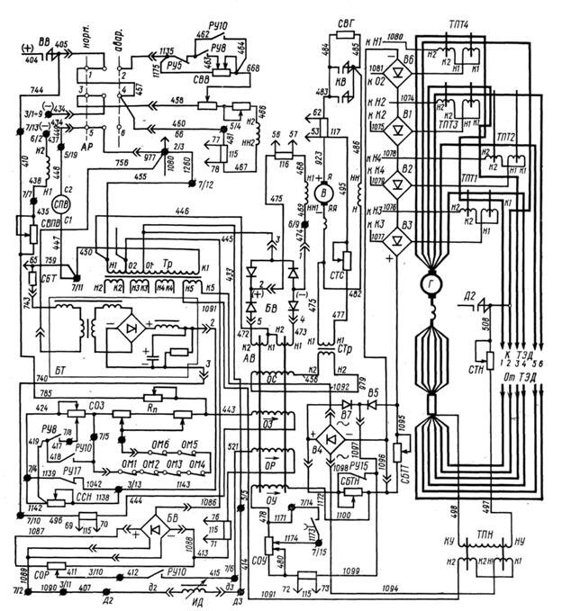
ЦЕПИ ВОЗБУЖДЕНИЯ ТЯГОВОГО ГЕНЕРАТОРА И ВОЗБУДИТЕЛЯ
Тяговый генератор Г тепловоза имеет независимое возбуждение. Обмотка независимого возбуждения Н - НН получает питание от возбудителя В (рис. 244). Цепь возбуждения тягового генератора замыкается контактором КВ. Параллельно контактам контактора KB включен резистор СВГ, способствующий плавному изменению тока в обмотке возбуждения при отключении контактора КВ. Благодаря этому предупреждается перенапряжение на обмотке возбуждения генератора экстратоком выключения и обгорание контактов контактора. Контактор возбуждения генератора KB включается с помощью контроллера машиниста, начиная с первой его позиции.
Возбудитель тягового генератора представляет собой электрическую машину постоянного тока. Главные полюсы возбудителя снабжены двумя обмотками возбуждения: первая обмотка возбуждения H1—НН1 является основной, вторая обмотка Н2—НН2 применена для частичного размагничивания возбудителя, а также используется как главная обмотка возбуждения возбудителя при неисправности основной системы возбуждения и аварийном режиме работы. Для возбуждения возбудителя применен синхронный подвозбудитель СПВ. Возбуждение синхронного подвозбудителя осуществляется с помощью обмотки полюсов H1—Н2, получающей питание постоянным током от вспомогательного генератора ВГ через резистор СВПВ при включении контактора ВВ возбуждения возбудителя. Контактор ВВ, так же как и контактор KB, включается при переводе рукоятки контроллера машиниста на первую позицию.

Рис. 244. Схема цепей возбуждения тягового генератора и возбудителя тепловоза 2ТЭ10Л
Увеличить схему
Синхронный подвозбудитель СПВ питает переменным однофазным током первичную обмотку H1—К1 распределительного трансформатора Тр. От вторичных и автотрансформаторных обмоток этого трансформатора получают энергию цепи: обмотки H1—НН1 независимого возбуждения возбудителя и рабочих обмоток амплистата АВ (от зажимов H1—01); рабочих обмоток трансформаторов постоянного напряжения ТПН и постоянного тока ТПТ1—ТПТ4 и управляющей обмотки ОУ амплистата (соответственно от зажимов Н5—К5 и НЗ—КЗ, Н4—К4, Н2—К2 и H1—02); индуктивного датчика ИД регулятора дизеля и регулировочной обмотки ОР амплистата (от зажимов 01—02). Кроме того, синхронный подвозбудитель питает током через тахометрический блок БТ задающую обмотку 03 амплистата.
Размагничивающая обмотка Н2 — НН2 возбудителя получает постоянный ток непосредственно от вспомогательного генератора тепловоза после включения контактора ВВ.
Рассмотрим эти цепи более подробно.
Цепь независимого возбуждения возбудителя и рабочих обмоток амплистата: зажим Ш распределительного трансформатора Тр, провод 446, рабочая обмотка амплистата Н2—К2, провод 472, диод панели БВ, провода 475, 468, обмотка возбудителя H1—НН1, провод 469, диод панели БВ, контакт 3 штепсельного разъема, провод 445, зажим 01. При изменении направления переменный ток течет от зажима 01 по проводу 445, через диод панели БВ, контакт 2 штепсельного разъема, обмотку возбуждения возбудителя в прежнем направлении и далее через контакт 1 штепсельного разъема, диод панели БВ, провод 473, рабочую обмотку Н1—К1 амплистата к зажиму H1. Следовательно, в цепи возбуждения возбудителя, являющегося генератором постоянного тока, течет выпрямленный ток.
Цепь задающей обмотки 03 амплистата: от тахометрического блока БТ через контакт 2 штепсельного разъема, провода 1143, 1142, 1139,424, резисторы СОЗ, провод 443, обмотку 03, провода 444, 496, 740, контакт 5 штепсельного разъема, минусовый зажим блока БТ. В этой цепи блокировочные контакты реле управления РУ8 и РУ10 служат для шунтирования участков резистора СОЗ с целью ступенчатого усиления возбуждения возбудителя при наборе позиций контроллера, а блокировочный контакт реле РУ17 при боксовании тепловоза вводят в цепь задающей обмотки резистор ССН для снижения возбуждения возбудителя и, следовательно, тока в силовой цепи.
Неисправный тяговый электродвигатель тепловоза выключается из силовой цепи с помощью отключателей ОМ1—ОМ6. При этом отключатели вводят в цепь задающей обмотки амплистата третью ступень резистора СОЗ, обеспечивая уменьшение возбуждения возбудителя и мощности тягового генератора.
Задающая обмотка амплистата получает дополнительное питание от вспомогательного генератора по цепи: зажим контактора ВВ, провода 744, 410, 785, резистор Rп, обмотка 03 и далее провод (на схеме условно не показан), соединенный непосредственно с минусовым зажимом 6/2 цепи вспомогательного генератора. Благодаря дополнительной составляющей ток в задающей обмотке на промежуточных позициях контроллера увеличивается, обеспечивая повышение мощности дизель-генератора до заданных значений.
Цепь рабочих обмоток H1—К1 и Н2—К2 трансформатора постоянного напряжения ТПН: зажим Н5 распределительного трансформатора Тр, провод 1091, обмотки HI—К1 и Н2— К2, выпрямительный мост В4 и резистор СБТН, провод 1092, зажим К5 трансформатора.
Цепь управляющей обмотки трансформатора ТПН: плюсовый зажим тягового генератора Г, кабель 2-го тягового электродвигателя, провод 508, резистор СТН, провод 497, обмотка НУ—КУ, провод 498, минусовый зажим генератора.
Цепи рабочих обмоток H1—К1 и Н2—К2 трансформаторов постоянного тока TПT1—ТПТ4: зажимы Н3, Н4, Н2, H1 распределительного трансформатора Тр, рабочие обмотки трансформаторов, выпрямительные мосты ВЗ, В2, В1, В6, зажимы КЗ, К4, К2, 02 трансформатора Тр. Эти мосты со стороны выпрямленного тока соединены последовательно, замкнуты на балластный резистор СБТТ и образуют узел выделения максимального сигнала. В качестве обмоток управления через отверстия сердечников трансформаторов постоянного тока пропущены провода силовой цепи.
Управляющая обмотка амплистата ОУ получает питание от распределительного трансформатора Тр через селективный узел. Подробно эти цепи были рассмотрены при описании трансформаторов постоянного напряжения и тока.
Цепь регулировочной обмотки ОР амплистата: зажим 01 распределительного трансформатора Тр, провода 433, 414, обмотка индуктивного датчика ИД, провода 407, 1090, 1089, выпрямительный мост БВ, провод 1087, настроечный резистор СОР, замыкающий контакт реле РУ10, включенный, начиная с 4-й позиции контроллера, провода 415, 521, регулировочная обмотка ОР, провода 413, 1088, выпрямительный мост БВ, провод 1086, зажим 02.
Последняя обмотка управления амплистата — стабилизирующая НС—КС соединена последовательно со вторичной обмоткой Н2—К2 стабилизирующего трансформатора СТр. Первичная обмотка H1—К1 этого трансформатора через резистор СТС включена на зажимы возбудителя.
Кроме обмотки независимого возбуждения H1—НН1 возбудитель имеет размагничивающую обмотку Н2—НН2, которая ограничивает возбуждение и ток генератора для плавного трогания тепловоза с места.
На исправном тепловозе аварийный переключатель возбуждения АР устанавливают в положение «Нормальный режим». В этом случае замкнуты нечетные контакты переключателя и размагничивающая обмотка получает питание от вспомогательного генератора по следующей цепи (см. рис. 244): включенный контактор ВВ, провод 405, контакты 1 переключателя АР, перемычка 457, провода 460, 481, 467, обмотка возбудителя НН2—Н2, провод 466, резисторы СВВ, провод 458, контакт 3 переключателя, провод 434, минусовые зажимы 3/1—9.
Если основная система возбуждения возбудителя оказалась неисправной, то машинист может перейти на резервную аварийную схему возбуждения. Для этого переключатель АР ставят в положение «Аварийный режим», замыкая его четные контакты. Теперь в обмотке возбудителя Н2—НН2 ток проходит в обратном направлении по цепи: провод 405, контакты 2 переключателя, провода 1135, 1175, резисторы СВВ, провод 466, обмотка Н2—НН2, провода 467, 481, 460, контакты 4 переключателя, провод 434, минусовые зажимы 3/1—9. Реле РУ8 и РУ10 обеспечивают ступенчатое усиление возбуждения возбудителя, шунтируя своими блокировочными контактами участки резистора СВВ. В случае боксования тепловоза реле РУ5 своим размыкающим контактом вводит резистор СВВ в цепь обмотки Н2—НН2, возбуждение возбудителя и, следовательно, ток в силовой цепи снижаются.
В начало статьи
<< Назад --------------------------------- Дальше >>
|
|