РЕЛЕ БОКСОВАНИЯ
Боксование колесных пар тепловоза представляет собой крайне вредное явление. При боксовании резко снижается сила тяги локомотива, повышается износ бандажей колесных пар и рельсов, возникает искрение щеток тяговых электродвигателей и подгар их коллекторов. Якорь тягового электродвигателя боксующей колесной пары может разрушиться от действия чрезмерных центробежных сил. Естественно, что не следует допускать боксования колесных пар. Если же оно и возникло, то должно быть прекращено в кратчайший срок. Как устранить боксование, если оно началось? Для этого нужно на короткое время быстро уменьшить ток тяговых электродвигателей. При этом уменьшится сила, с которой двигатели вращают колесные пары тепловоза, боксование прекратится. Дальше нужно, не теряя времени, вновь увеличить ток и тяговое усилие тепловоза, чтобы не снижать скорости движения поезда.
Тепловозы снабжают реле боксования, которые, управляя переключениями в электрической схеме, стремятся прекратить боксование колесных пар. На каждой секции тепловозов ТЭЗ, 2ТЭ10Л, 2ТЭ10В устанавливают по три реле боксования. На современных тепловозах их объединяют в блок боксования (рис. 210) и закрывают защитной крышкой. Каждое реле боксования «следит» за частотой вращения одной из трех групп тяговых электродвигателей.

Рис. 210. Блок реле боксования
Реле боксования состоит из ярма, электромагнитной катушки, поворачивающегося вокруг своей оси якоря с двумя подвижными контактами в его верхней части. Нижний конец якоря оттягивается пружиной, при этом замыкается подвижный контакт с неподвижным задним контактом.
На нижнем же конце якоря укреплен плунжер против сердечника катушки. При боксовании колесной пары по катушке проходит ток, ее сердечник намагничивается и притягивает плунжер. Якорь поворачивается, преодолевая натяжение пружины, подвижный контакт отходит от заднего неподвижного и замыкается с передним неподвижным контактом. В цепях управления тепловозом происходят переключения, приводящие к снижению возбуждения тягового генератора и силы тока в тяговых двигателях для прекращения боксования. Кроме того, замыкается цепь сигнального зуммера, оповещающего о боксовании.
Посмотрим, как включена катушка реле боксования и почему в ней при боксовании появляется ток?
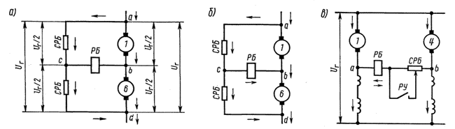
На тепловозе ТЭЗ параллельно двум тяговым электродвигателям каждой группы, соединенным последовательно, включены два одинаковых резистора СРБ (рис. 211, а).

Рис. 211. Схемы включения катушки реле боксования:
а - на тепловозе ТЭ3 при устойчивой работе тяговых двигателей; б - при боксовании первого электродвигателя на тепловозе ТЭ3; в - на тепловозе 2ТЭ10В
Один конец катушки реле боксования РБ подсоединяется между тяговыми электродвигателями в точке b, другой — между двумя резисторами СРБ в точке с. Напряжение, подведенное к точкам a и d, где соединяются цепи тяговых двигателей и резисторов реле боксования, падает двумя равными частями на каждом из двигателей и на каждом из резисторов. Электрические потенциалы точек подключения зажимов катушки реле боксования будут одинаковы, и по катушке реле ток не проходит.
Положение изменяется, когда одна из колесных пар начинает боксовать. Например, боксует первая колесная пара. Якорь тягового электродвигателя I вращается с повышенной частотой. Э.д.с.первого двигателя увеличивается, следовательно, возрастает и падение напряжения на нем. На электродвигателе 6 падение напряжения уменьшается, так как сумма падений напряжений на обоих двигателях остается равной напряжению генератора. Поэтому электрический потенциал точки Ь понижается. Цепь тока через резисторы СРБ остается прежней, электрический потенциал точки с практически не изменился. Таким образом, возникает разность электрических потенциалов точек подключения зажимов катушки реле боксования. Через катушку потечет ток от точки с более высоким потенциалом к точке с более низким потенциалом, как показано на рис. 211, б.
При срабатывании реле боксования на тепловозе ТЭЗ его размыкающий блокировочный контакт (подвижный и задний неподвижный контакты) разрывает электрическую цепь катушки контактора возбуждения возбудителя. Контактор отключается, возбуждение возбудителя и, следовательно, тягового генератора резко уменьшается. Ток в силовой цепи снижается, что способствует прекращению боксования.
После прекращения боксования электрические потенциалы точек подключения катушки реле выравниваются, ток в катушке исчезает, реле отключается. Его размыкающий блокировочный контакт восстанавливает цепь катушки контактора возбуждения возбудителя. Контактор включается, возбудитель и генератор тепловоза получают полное возбуждение.
Замыкающий блокировочный контакт реле (подвижный и передний неподвижный контакты) управляет цепью питания звукового сигнала боксования.
Благодаря алюминиевому якорю реле боксования имеет незамкнутую магнитную систему. При срабатывании реле общий воздушный зазор в магнитной системе и, следовательно, магнитный поток в ней изменяются незначительно. Кроме того, торец плунжера имеет латунный диск, предупреждающий «прилипание» плунжера к сердечнику, т. е. удержание его силой остаточного магнетизма. Благодаря этим мерам для отпадания якоря реле достаточно небольшого уменьшения тока в катушке. Поэтому снижение боксования колесных пар приводит к быстрому отключению реле и восстановлению мощности генератора и силы тяги локомотива.
Условия боксования после уменьшения возбуждения генератора могут сохраниться. Это приведет к повторным срабатываниям реле. Машинист должен принять меры для прекращения боксования. Следует перевести рукоятку контроллера на более низкие позиции и подать под колеса песок.
На тепловозах 2ТЭ10Л, 2ТЭ10В мощностью 2010 кВт (3000 л. с.) в секции применена параллельная схема включения всех тяговых электродвигателей. В этом случае зажимы катушки каждого реле боксования присоединяются к минусовым выводам якорей двух тяговых электродвигателей попарно: первое реле к 1 и 4 двигателям, второе реле ко 2 и 5 двигателям, третье реле к 3 и 6 двигателям.
При боксовании одной из двух колесных пар в связи с уменьшением тока и падения напряжения на обмотках главных и добавочных полюсов двигателя этой колесной пары по сравнению с двигателем небоксующей колесной пары образуется разность потенциалов точек подключения катушки реле, и по ней проходит ток, вызывающий срабатывание реле (рис. 211, в). Сработавшее реле боксования включает два реле управления, обеспечивающие необходимые переключения в цепях возбуждения для снижения мощности тягового генератора приблизительно на 85—90%. Одновременно реле управления включает зуммер боксования. После прекращения боксования электрическая схема тепловоза производит автоматическое ступенчатое повышение мощности генератора. При этом уменьшается возможность повторного боксования колесных пар, исключаются неблагоприятные для тяговых электрических машин резкие колебания мощности. Кроме того, постепенное нагружение дизеля с высоким газотурбинным наддувом снижает дымность выпускных газов, предупреждает перегрев деталей.
В начало статьи
<< Назад --------------------------------- Дальше >>
|
|