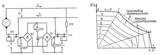
ТРАНСФОРМАТОРЫ ПОСТОЯННОГО НАПРЯЖЕНИЯ И ТОКАПри рассмотрении работы амплистата уже отмечалось, что для образования необходимой внешней характеристики тягового генератора потребовалось осуществить взаимосвязь рабочего тока амплистата с напряжением и током генератора. В амплистате для этого служит управляющая размагничивающая обмотка. В качестве источников ее питания применены вторичные обмотки распределительного трансформатора, в цепи которых включены трансформаторы постоянного напряжения и тока. Следовательно, на них возлагается задача регулирования тока в управляющей обмотке в зависимости от напряжения и тока тягового генератора; Уже названия этих электрических аппаратов показывают, что один из них осуществляет регулирование амплистата по величине напряжения генератора, а второй — по величине тока генератора. Рис. 226. Трансформаторы а) постоянного напряжения (ТПН); б) постоянного тока (ТПТ) Трансформатор постоянного тока (рис. 226, б) по устройству напоминает трансформатор постоянного напряжения, но не имеет специальной обмотки управления. Для подмагничивания трансформатора постоянного тока через центральное отверстие его тороидального сердечника пропущены гибкие провода силовой цепи. На тепловозах 2ТЭ10Л, 2ТЭ10В через трансформатор постоянного тока пропущены два провода, по которым проходит ток двух тяговых электродвигателей. При увеличении тока тяговых двигателей, а следовательно, и генератора усиливается подмагничивание трансформатора постоянного тока и возрастает выходной ток его рабочей обмотки. Таким образом, ток в рабочей цепи трансформатора пропорционален суммарному току двух тяговых электродвигателей. Максимальный ток в рабочей цепи трансформатора лишь незначительно превышает 3 А. Трансформатор постоянного тока как бы преобразует ток большой величины в силовой цепи в пропорциональный ему слабый ток для использования его в системе автоматического регулирования напряжения тягового генератора. Рис. 227 Селективный узел и характеристика тягового генератора Предположим, что дизель-генератор тепловоза работает на 15-й позиции контроллера. Когда ток Iг в силовой цепи мал, напряжение Uг на выводах генератора достигает максимальных значений (рис. 227, б); сила тока в цепи рабочей обмотки трансформатора постоянного напряжения будет также наибольшей. Напряжение на резисторе СБТН, выпрямленное мостом В1, подается на участок цепи, состоящей из резисторов СОУ и управляющей обмотки ОУ амплистата. В то же время вследствие малого тока в силовой цепи будут незначительными ток в цепи рабочей обмотки трансформатора ТПТ и падение напряжения на резисторе СБТТ. Выпрямительный мост В2 окажется запертым повышенным напряжением, подаваемым от моста Б1; через управляющую обмотку амплистата проходит только ток цепи рабочих обмоток трансформатора TПН. Следовательно, трансформатор ТПТ отключен от цепи питания регулировочной обмотки. Так продолжается до тех пор, пока ток тягового генератора не достигнет значения Iгг, соответствующего точке Г его внешней характеристики. На участке характеристики ДГ с увеличением тока тягового генератора напряжение на его выводах будет несколько снижаться вследствие увеличения падения напряжения во внутренней цепи генератора и влияния реакции якоря. Однако одновременно уменьшается ток в обмотке управления трансформатора ТПН, а значит, и ток в цепи управляющей обмотки амплистата. В конечном итоге возбуждение генератора несколько усиливается. Благодаря этому предупреждается заметное снижение напряжения генератора. Например, на номинальном режиме работы дизель-генератора (nк =15) увеличение тока в силовой цепи почти до 3000 А приводит к уменьшению напряжения генератора лишь на 20В. При токе Iгг генератора падение напряжения на резисторах СБТН и СБТТ становится одинаковым, выпрямительный мост В2 открывается. Управляющая обмотка амплистата получает дополнительное питание (при сохранении питания от трансформатора ТПН). Дальнейший рост силы тока генератора вызывает усиление питания управляющей обмотки амплистата, обеспечивая снижение напряжения генератора по линейной характеристике ГБ. Этот процесс сопровождается непрерывным увеличением тока в рабочей обмотке трансформатора ТПТ и снижением тока в рабочей обмотке трансформатора ТПН. Наконец, при токе генератора Iгб соответствующем точке Б характеристики, происходит запирание выпрямительного моста В1 напряжением, подаваемым в цепь управляющей обмотки амплистата из цепи трансформатора ТПТ через выпрямительный мост В2. На участке характеристики БА при незначительном увеличении тока генератора и, следовательно, тока в управляющей обмотке амплистата достигается требуемое снижение напряжения генератора. Рост тока генератора практически ограничивается, предупреждая его перегрузку. В начало статьи |






