ПОЛУПРОВОДНИКОВЫЙ РЕГУЛЯТОР НАПРЯЖЕНИЯ
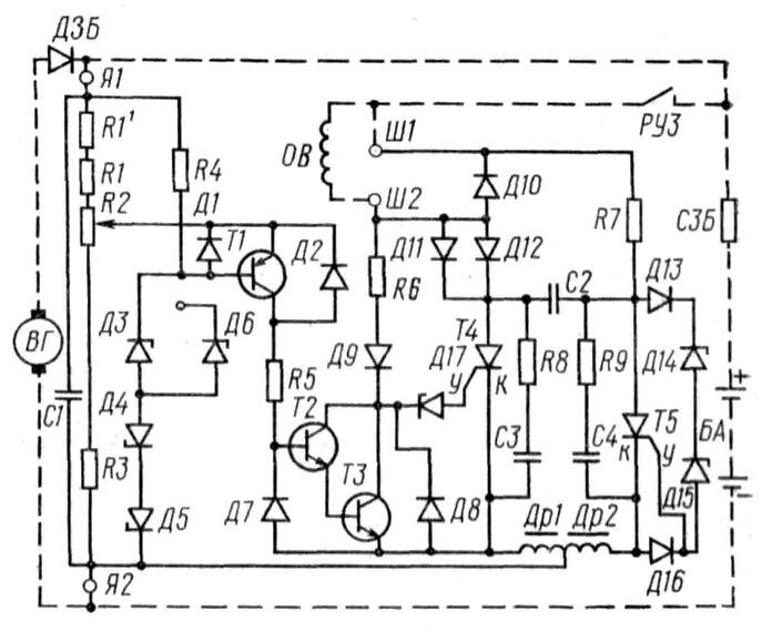
Полупроводниковые регуляторы напряжения типа БРН-ЗВ устанавливаются на тепловозах 2ТЭ10Л, 2ТЭ10В и ТЭП60 для автоматического регулирования напряжения вспомогательного генератора. Регулятор состоит из двух основных узлов: измерительного и регулировочного (рис. 238).
Измерительный узел регулятора дает сигнал регулирующему узлу на увеличение тока возбуждения возбудителя, если его напряжение становится ниже 75 В, и сигнал на уменьшение тока возбуждения возбудителя, когда напряжение превысит 75 В. Измерительный узел выполнен по мостовой схеме. Первое плечо моста состоит из резисторов R1', R1 и части потенциометра R2, второе — из остальной части потенциометра R2 и резистора R3, третье плечо — из резистора R4 и четвертое — из стабилитронов ДЗ (или запасного Д6), Д4 и Д5. В диагональ моста включен переход эмиттер—база транзистора Т1. Сопротивления резисторов и двух частей потенциометра R2 подобраны таким образом, что если напряжение вспомогательного генератора ниже 75 В, то напряжение на зажимах стабилитрона ДЗ меньше, чем напряжение стабилизации. Стабилитрон закрыт и пропускает совершенно незначительный по величине ток. В этих условиях потенциал базы транзистора Т1 выше потенциала эмиттера. Сопротивление транзистора велико, или, как говорят, транзистор закрыт. Рассмотрим второй случай работы измерительного узла, когда напряжение вспомогательного генератора превышает 75 В. В этих условиях напряжение на зажимах стабилитрона ДЗ становится выше напряжения стабилизации, стабилитрон пропускает достаточно большой обратный ток. Потенциал эмиттера транзистора Т1 окажется выше потенциала базы, т. е. создаются условия открытия этого транзистора. В результате открытия транзистора Т1 ток от вспомогательного генератора ответвляется из первого плеча моста измерительной части, проходит через эмиттер—коллектор транзистора Т1 и далее через резистор R5, переходы база—эмиттер транзисторов Т2 и ТЗ, дроссель Др1 на минусовый вывод генератора. При таком направлении тока транзисторы Т2 и ТЗ открываются. Эти два транзистора включены по схеме составного транзистора для усиления выходного сигнала. Сопротивление перехода между эмиттером и коллектором транзистора ТЗ становится близким к нулевому значению.

Рис. 238. Схема регулятора напряжения БРН-3В
Таким образом, в основу работы измерительного узла регулятора напряжения положено использование различных электрических характеристик проволочных резисторов и стабилитрона. Так, при увеличении напряжения вспомогательного генератора пропорционально возрастает падение напряжения на первых трех плечах моста измерительного узла. На четвертом плече (на стабилитроне ДЗ) падение напряжения возрастает лишь до тех пор, пока напряжение вспомогательного генератора не превысило 75 В. После этого приложенное к стабилитрону ДЗ обратное напряжение достигает величины напряжения стабилизации, стабилитрон пропускает ток и увеличение приложенного напряжения прекращается. При дальнейшем увеличении напряжения вспомогательного генератора электрический потенциал базы транзистора Т1, соединенной с выводом стабилитрона ДЗ, практически не повышается. Потенциал эмиттера транзистора, соединенного с движком потенциометра R2, продолжает повышаться, что и приводит к его открытию.
Транзистор ТЗ является выключателем, управляющим работой регулирующего узла регулятора напряжения, который непосредственно поддерживает постоянным напряжение вспомогательного генератора, изменяя величину тока возбуждения. Условно можно представить, что контакты этого выключателя замкнуты при напряжении вспомогательного генератора до 75 В и разомкнуты при его дальнейшем повышении.
Регулирующий узел (см. рис. 238) регулятора представляет собой мультивибратор. Основными его частями являются два кремниевых тиристора — силовой Т4 и управляющий Т5, конденсатор С2, стабилитроны Д14, Д15, Д17 и резисторы R6, R7. Последовательно с мультивибратором включена обмотка независимого возбуждения ОВ вспомогательного генератора ВГ.
Рассмотрим цикл работы мультивибратора (от латинских слов multum — много и vibro — колеблю), начав с момента, когда конденсатор С2 разряжен, а тиристор ТЗ закрыт. Ток от плюса якоря вспомогательного генератора проходит через диод ДЗБ заряда аккумуляторной батареи, замкнутые контакты реле РУЗ, обмотку возбуждения ОВ, резистор R6, диод Д9, открывший стабилитрон Д17, цепь управляющего электрода у тиристора Т4 и далее через дроссель Др1 возвращается на минус вспомогательного генератора. Под действием небольшого напряжения, приложенного между управляющим электродом У и катодом К, тиристор Т4 открывается. Через обмотку возбуждения ОВ возбудителя начинает проходить ток по цепи: плюс якоря вспомогательного генератора, обмотка ОВ, диоды Д11, Д12, тиристор Т4, дроссель Др1, минус якоря. В этом положении последовательно с обмоткой возбуждения не включены какие-либо элементы со значительным сопротивлением. Ток возбуждения достигает наибольшей величины, напряжение вспомогательного генератора начинает расти даже при минимальной частоте вращения его якоря.
Открывшийся тиристор Т4 шунтирует цепь, состоящую из резистора R6, диода Д9, стабилитрона Д17, вызывая закрытие этого стабилитрона. Однако снятие напряжения с управляющего электрода тиристора не приводит к его закрытию. Известно, что для закрытия тиристора необходимо еще хотя бы кратковременно приложить обратное напряжение.
Одновременно с этим процессом происходит заряд конденсатора С2, так как его правая обкладка соединена через резистор R7 с плюсом якоря вспомогательного генератора, а левая обкладка — с минусом якоря через открытый тиристор Т4.
По мере заряда напряжение на конденсаторе растет и, наконец, достигает величины, которая достаточна для открытия стабилитронов Д14 и Д15. Создается цепь тока управления тиристором Т5: после стабилитрона Д15 через управляющий электрод У, катод К тиристора Т5, дроссель Др2 на минус якоря вспомогательного генератора. Тиристор Т5 открывается, начинается разряд конденсатора С2, так как теперь его правая обкладка соединена через тиристор Т5, дроссель Др2 к минусу якоря вспомогательного генератора, как и левая обкладка.
Разрядное напряжение конденсатора С2 подается через дроссель Др1 на катод К тиристора Т4. Этот импульс обратного для тиристора Т4 напряжения запирает его. Прекращается прохождение тока по обмотке возбуждения ОВ возбудителя, и напряжение на его выводах начинает падать.
Как только закрылся тиристор Т4 (при открытом тиристоре Т5), начинается перезаряд конденсатора С2 по цепи: плюс якоря вспомогательного генератора, обмотка возбуждения ОВ, диоды Д11, Д12, конденсатор С2, тиристор Т5, дроссель Др2, минус якоря вспомогательного генератора. Теперь левая обкладка конденсатора приобретает положительный потенциал, а правая — отрицательный. Одновременно с зарядкой конденсатора растет напряжение на стабилитроне Д17 до момента его открытия, приводящего к открытию тиристора Т4. Вновь замыкается цепь тока через обмотку возбуждения возбудителя. Конденсатор С2 разряжается через открывшийся резистор Т4. Напряжение конденсатора подается через дроссели Др1 и ДР2 на катод тиристора Т5 и закрывает его. Начинается новый цикл заряда конденсатора С2 (правая обкладка вновь приобретает положительный потенциал) и работы мультивибратора в целом, полностью повторяющий уже рассмотренный. В результате мультивибратор находится в режиме автоколебаний с частотой около 400 Гц. Частота колебаний тока зависит от емкости конденсатора С2 и сопротивления резистора R7, замедляющего заряд конденсатора.
Параметры схемы мультивибратора подобраны таким образом, чтобы продолжительность прохождения тока через обмотку возбуждения возбудителя была достаточной для повышения напряжения возбудителя более 75 В. Словом, периодическое отключение питания током обмотки возбуждения мультивибратором в режиме автоколебаний не приводит к снижению напряжения возбудителя ниже 75 В.
Когда напряжение вспомогательного генератора незначительно превысит 75 В, измерительный узел регулятора, как было показано выше, открывает транзистор ТЗ. Транзистор шунтирует стабилитрон Д17 и управляющий электрод тиристора Т4. Теперь очередного открытия тиристора Т4 не происходит, так как практически отсутствует напряжение на стабилитроне Д17 даже при полностью перезаряженном конденсаторе С2. Автоколебания мультивибратора прекращаются в положении, когда закрытый тиристор Т4 не пропускает тока по обмотке возбуждения возбудителя. Напряжение возбудителя начинает падать. После его снижения несколько ниже 75 В измерительный узел закрывает транзистор ТЗ, что возвращает мультивибратор в режим автоколебаний(от греческого слова autos — сам), обеспечивающий повышение напряжения возбудителя.
В результате воздействия измерительного узла на регулирующий узел (мультивибратор) напряжение вспомогательного генератора при постоянной частоте вращения якоря колеблется в пределах приблизительно 0,5 В, т. е. поддерживается практически постоянным. Частота колебаний напряжения, достигает 60 Гц.
В схему регулятора напряжения введен ряд дополнительных элементов, назначение которых состоит в следующем. Конденсатор С1 сглаживает колебания Напряжения на входе в измерительный узел регулятора. Стабилитроны Д4 и Д5 компенсируют изменение напряжения на стабилитроне ДЗ при различной температуре, т. е. они позволяют исключить влияние температуры измерительного узла на величину поддерживаемого напряжения вспомогательного генератора. Диоды Д1 и Д2 защищают транзистор Т1 от импульсов обратного напряжения при работе регулятора, а диоды Д13, Д16, Д8 и Д9 предупреждают появление обратных напряжений на переходах управляющий электрод — катод тиристоров Т4 и Т5 при перезарядке конденсатора С2. Диод Д8 одновременно защищает от обратных напряжений и транзисторы Т2 и ТЗ.
Уменьшение тока утечки транзистора Т1 достигается с помощью диода Д7. Для гашения электромагнитной энергии, накопленной в обмотке возбуждения возбудителя, при каждом ее размыкании служит диод Д10, который включен на зажимы этой обмотки. Диоды Д11 и Д12 предупреждают самопроизвольные колебания тока в контуре обмотки ОВ и конденсатора С2 и, следовательно, потерю управляемости мультивибратора. Дроссели Др1 и Др2 защищают тиристоры Т4 и Т5 от чрезмерных импульсов тока при их переключениях.
Дроссели Др1 и Др2 снижают скорость изменения тока в тиристорах Т4 и Т5, защищая их от коммутационных перенапряжений. Цепочки резисторов R8, R9 и конденсаторов СЗ и С4 повышают помехоустойчивость регулятора напряжения.
Регулировка напряжения вспомогательного генератора, поддерживаемого регулятором, осуществляется весьма просто за счет изменения положения движка потенциометра R2.
При пуске дизеля первоначально цепи регулятора напряжения и обмотки возбуждения возбудителя получают питание током от аккумуляторной батареи. Благодаря максимальному возбуждению напряжение вспомогательного генератора быстро возрастает. Когда напряжение вспомогательного генератора становится больше напряжения аккумуляторной батареи, цепи регулятора напряжения и обмотка возбуждения переходят на питание током от якоря вспомогательного генератора через диод ДЗБ.
С увеличением частоты вращения коленчатого вала дизеля и механически связанного с ним якоря возбудителя регулятор напряжения увеличивает относительную продолжительность выключения мультивибратора т. е. снижает среднюю величину тока возбуждения возбудителя, поддерживая напряжение на выводах возбудителя в пределах 75 ± 1 В во всем диапазоне работы силовой установки тепловоза.
Подробное ознакомление с работой полупроводникового регулятора напряжения не только поможет читателю уяснить принцип его действия, но и позволит ознакомиться со способами применения полупроводниковых вентилей, стабилитронов, транзисторов, тиристоров в регулирующих устройствах тепловозов.
Общий вид полупроводникового регулятора напряжения показан на рис. 239. Регулятор подключается к электрическим цепям тепловоза при помощи штепсельного разъема.

Рис. 239. Общий вид регулятора напряжения
Почти вся электрическая аппаратура сосредоточена в кабине машиниста и в аппаратных камерах.
Расположение электрической аппаратуры в аппаратных камерах тепловоза 2ТЭ10Л показано на рис. 240.
На передней стенке правой аппаратной камеры находятся автоматы и тумблеры электрических схем управления и освещения тепловоза, отдельные измерительные приборы.
Аппаратные камеры для удобства и быстроты доступа к электрическим аппаратам расположены на тепловозах рядом с кабиной машиниста.

Рис. 240. Правая и левая аппаратные камеры тепловоза 2ТЭ10Л
Электрические аппараты, установленные в аппаратной камере, имеют открытые токоведущие части. Во избежание поражения электрическим током категорически запрещается входить в аппаратную камеру, когда электрооборудование находится под напряжением, независимо от его величины. Для предупреждения случаев травматизма двери аппаратных камер оборудованы выключателями. Если дверь открыта, то выключатели разрывают цепи питания контакторов возбуждения возбудителя и генератора. Генератор переводится на режим холостого хода, и в камеру не подается высокое напряжение.
Расположение электрооборудования в кабине машиниста показано на рис.12. Отдельные электрические аппараты приближены к объектам управления. Например, реле масляного давления обычно устанавливаются непосредственно на дизелях.
В начало статьи
<< Назад --------------------------------- Дальше >>
|
|