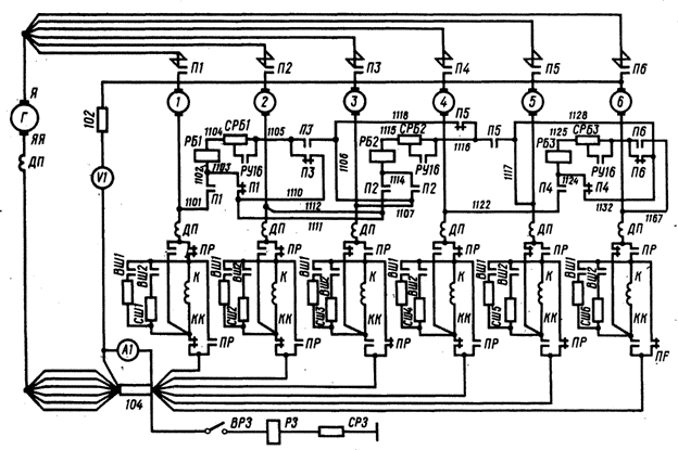
СХЕМА СИЛОВОЙ ЦЕПИ ТЕПЛОВОЗА
Тяговый генератор Г каждой секции тепловоза 2ТЭ10Л питает током шесть тяговых электродвигателей 1—6 (рис. 243).
Цепи тяговых электродвигателей замыкаются с помощью электропневматических контактов П1—П6. При работе тепловоза все электродвигатели соединены параллельно.
Изменение направления движения тепловоза производится с помощью кулачкового реверсора ПР. На рис. 243 показана схема при движении тепловоза вперед. Трогание тепловоза с места происходит при полном поле возбуждения тяговых электродвигателей, т. е. весь ток якоря каждого электродвигателя проходит последовательно через обмотку К — КК его главных полюсов.

Рис. 243. Схема силовой цепи тепловоза 2ТЭ10Л
Для обеспечения полного использования мощности дизель-генератора при повышении скорости движения тепловоза параллельно обмоткам возбуждения тяговых двигателей включаются резисторы. При скорости движения тепловоза 39—44 км/ч с помощью группового электропневматического контактора ВШ1 включаются резисторы СШ1 первой ступени ослабления возбуждения тяговых двигателей, и при скорости движения тепловоза 55—65 км/ч групповой контактор ВШ2 включает резисторы СШ2 второй ступени ослабления возбуждения двигателей. Часть тока силовой цепи проходит по шунтирующим резисторам, минуя обмотки главных полюсов электродвигателей.
Глубина ослабления возбуждения электродвигателей на первой ступени составляет 57—63%, а на второй достигает 35—39%. Двух ступеней ослабления возбуждения тяговых электродвигателей оказывается достаточным для обеспечения полного использования мощности дизель-генератора при увеличении скорости движения тепловоза вплоть до конструкционной, равной 100 км/ч. Включением групповых электропневматических контакторов ослабления возбуждения тяговых электродвигателей управляют два реле перехода.
В силовую цепь включены катушки трех реле боксования РБ1—РБЗ и катушка реле заземления РЗ (см. рис. 243). При работе тепловоза, когда замкнуты силовые контакты контакторов П1—П6, их замыкающие блокировочные контакты включают катушку реле боксования РБ1 в цепи первого и третьего тяговых электродвигателей, катушку реле боксования РБ2 —в цепи второго и пятого двигателей, катушку реле боксования РБЗ — в цепи четвертого и шестого двигателей. При отключении неисправного тягового электродвигателя соответствующий электропневматический контактор остается выключенным, а его блокировочные контакты обеспечивают включение катушки реле в цепи другой пары исправных двигателей. Таким образом, и в этом случае все три реле боксования будут использоваться для сохранения противобоксовочных качеств тепловоза. Например, если неисправен и отключен первый тяговый электродвигатель, то замыкающий блокировочный контакт контактора П1 отключает катушку реле РБ1 от цепи первого тягового электродвигателя, а размыкающий блокировочный контакт контактора П1 и замыкающий блокировочный контакт контактора ПЗ включат катушку этого реле в цепи второго и третьего двигателей: провода 1112, 1111, 1103, 1102, катушка РБ1, провод 1104, резистор СРБ1, провода 1105, 1106 и 1107.
Резисторы СРБ1—СРБЗ, часть которых закорачивается с помощью замыкающих контактов реле управления РУ16, предназначены для раздельной настройки реле боксования при полном и ослабленном возбуждении тяговых электродвигателей. Катушка реле заземления РЗ включена между корпусом тепловоза и минусовой частью силовой цепи. В ее цепь введены резистор СРЗ для настройки реле и отключатель ВРЗ. Принципы действия реле боксования и заземления рассмотрены выше. Для измерения силы тока и напряжения тягового генератора служат амперметр А1 с шунтом 104 и вольтметр VI с добавочным резистором 102.
Тяговый генератор на тепловозах с электрической передачей постоянного тока используется для пуска дизеля. Машинист с помощью дистанционной автоматической системы управления включает пусковые контакторы. От аккумуляторной батареи секции тепловоза, на которой производится пуск дизеля, замыкается цепь тока: от плюсового зажима аккумуляторной батареи, через обмотки якоря, добавочных полюсов, пусковую тягового генератора на минусовый зажим аккумуляторной батареи. При пуске дизеля одновременно используются аккумуляторные батареи обеих секций тепловоза для питания генератора, что повышает надежность и быстроту пуска, а также продлевает срок службы аккумуляторов, так как значительно снижаются токи разряда каждой батареи и время их работы в этом тяжелом режиме.
В начало статьи
<< Назад --------------------------------- Дальше >>
|
|