КАК РАСШИРИТЬ ДИАПАЗОН СКОРОСТИ ТЕПЛОВОЗА
Использование полной мощности тепловозных дизелей достигается регулированием напряжения тягового генератора при изменении тока, потребляемого тяговыми электродвигателями, в соответствии со скоростью движения. Тяговый генератор должен быть рассчитан прежде всего на максимальный ток силовой цепи. Но, кроме того, в целях реализации установленной мощности он должен обеспечить повышение напряжения при уменьшении тока. Для этого генератор снабжают более мощной системой возбуждения, увеличивают число проводников обмотки якоря, делают более прочной изоляцию, при этом его размеры и масса возрастают. Чем шире пределы, в которых изменяются ток и напряжение генератора одной и той же мощности, тем больше его размеры. Поэтому при проектировании электрической передачи принимаются все меры, чтобы сократить диапазон их изменения, конечно, без ущерба для полного использования мощности дизеля тепловоза. Выше было сказано, что именно из этих соображений в качестве тяговых электродвигателей используют двигатели с последовательным возбуждением. Применяются и другие эффективные меры, к которым относятся перегруппировка тяговых электродвигателей и ослабление возбуждения электродвигателей.
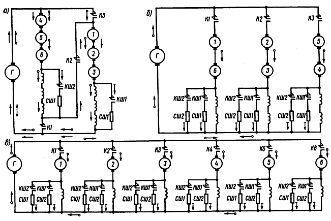
Например, на тепловозе ТЭМ1 трогание поезда и разгон осуществляются при последовательном соединении всех тяговых электродвигателей 1— 6.

Рис. 175. Схемы соединения тяговых двигателей
а - ТЭМ1 при последовательном и последовательно-параллельном соединении двигателей (см. стрелки); б - ТЭ3; в - 2ТЭ10Л, 2ТЭ10В
В этом случае, как показано на рис. 175, а, контактор К2 включен, а контакторы К1 и КЗ выключены. В процессе увеличения скорости движения ток тяговых электродвигателей и, следовательно, тягового генератора уменьшается, а напряжение увеличивается. При скорости около 11 км/ч и работе дизель-генератора на номинальном режиме напряжение генератора приближается к своей максимальной величине, составляющей примерно 850 В, и дальнейший рост его прекращается. При более высокой скорости движения мощность дизеля будет недоиспользоваться. Выход из положения нашли в переключении тяговых электродвигателей с последовательного соединения на последовательно-параллельное. Такого рода переключения тяговых электродвигателей называют перегруппировкой. Электродвигатели с помощью контакторов К1 и КЗ включаются в две группы, а контактор К2 отключается.
В каждой группе три двигателя соединены последовательно, а группы подключены к генератору Г параллельно. Теперь ток тягового генератора увеличивается, становясь равным сумме токов двух групп тяговых электродвигателей, а напряжение генератора снизится. Генератор вновь начнет работать в области высоких токов и низких напряжений. Дальнейший разгон поезда происходит при использовании полной мощности дизеля, так как с уменьшением тока тяговых двигателей напряжение генератора будет возрастать до наибольшей величины. При скорости движения около 27 км/ч вновь напряжение генератора приблизится к предельной величине, и начинается ограничение мощности тепловоза. Снятие ограничения мощности при дальнейшем увеличении скорости движения тепловоза достигается в результате ослабления возбуждения тяговых электродвигателей. Для этого с помощью контакторов КШ1 и КШ2 включаются резисторы СШ1 параллельно обмоткам возбуждения электродвигателей. Теперь только часть тока двигателя проходит по обмотке возбуждения. Ослабление возбуждения тяговых электродвигателей приводит к снижению э. д. с, возникающей в обмотках якорей, увеличению тока электродвигателей и тягового генератора. Дальнейшее увеличение скорости тепловоза будет происходить с полным использованием мощности дизеля. При скорости движения тепловоза ТЭМ1 более 45 км/ч вновь начинается ограничение мощности дизеля по возбуждению генератора уже при последовательно-параллельном соединении двигателей и ослабленном возбуждении. Однако здесь больше никаких мер не принимается, так как этот маневровый тепловоз не предназначен для высоких скоростей движения с поездами.
Следует отметить, что метод расширения диапазона скоростей движения тепловоза при полном использовании мощности дизеля посредством перегруппировки тяговых двигателей имеет существенные недостатки. В процессе перегруппировки электродвигателей производятся переключения в силовой цепи тепловоза, при которых приходится резко снижать напряжение генератора, чтобы исключить большие толчки тока. Поэтому сила тяги тепловоза в период переключения тяговых двигателей резко падает, а затем снова возрастает до нормальной. Снижение силы тяги неблагоприятно сказывается на движении поезда. При ослаблении возбуждения не требуется предварительно снижать напряжение тягового генератора или отключать тяговые электродвигатели и уменьшения силы тяги не происходит.
Кроме того, электрическая схема с постоянной группировкой тяговых электродвигателей получается более простой, с меньшим количеством электрических аппаратов. Поэтому для тепловозов ТЭЗ, типов ТЭ10, ТЭП60 были выбраны схемы постоянного включения тяговых электродвигателей (без перегруппировки) и две ступени ослабления возбуждения этих электродвигателей.
На тепловозах ТЭЗ тяговые электродвигатели 1—6 соединяются в три параллельные группы с помощью контакторов K1, K2 и КЗ (рис. 175, б). В каждой группе два двигателя включены последовательно. Степень ослабления возбуждения электродвигателя характеризуется величиной той части тока, которая продолжает проходить по обмотке возбуждения после включения шунтирующего резистора. Остальной ток якоря проходит по этому резистору. При скорости движения тепловоза 28 км/ч параллельно обмоткам возбуждения тяговых двигателей посредством контакторов КПП включаются резисторы С1111 первой ступени ослабления возбуждения. По обмоткам возбуждения проходит только 48% тока якорей тяговых двигателей, увеличивается ток в силовой цепи, уменьшается напряжение генератора, что снимает ограничение мощности тепловоза.
При скорости 45 км/ч с помощью контакторов КШ2 подключаются вторые шунтирующие резисторы СШ2. Теперь лишь 25% тока тягового электродвигателя проходит по обмотке возбуждения и магнитное поле двигателей еще более ослабляется. Вновь возрастает ток генератора и уменьшается его напряжение. Ограничение мощности отодвигается до конструкционной скорости тепловоза. Глубина ослабления возбуждения электродвигателей лимитируется условиями обеспечения удовлетворительной коммутации.
На тепловозах 2ТЭ10Л и 2ТЭ10В применена параллельная схема включения всех шести тяговых электродвигателей 1—6 с двумя ступенями ослабления возбуждения (рис. 175, в). Такая схема позволяет в случае повреждения тягового двигателя отключить его и следовать на пяти оставшихся двигателях. В депо поврежденный двигатель должен быть восстановлен или заменен. Первая ступень ослабления возбуждения тяговых электродвигателей включается при скорости движения 35—40 км/ч, вторая — при 55—60 км/ч. Глубина ослабления возбуждения двигателей на первой ступени составляет 60%, на второй — 36 %. Полное использование мощности дизеля на тепловозах этих серий обеспечивается вплоть до конструкционной скорости.
Обратные переходы с отключением резисторов ослабления возбуждения при замедлении движения тепловоза (например, на подъеме) и работе дизель-генератора на номинальном режиме происходят при скоростях на 5— 10 км/ч меньше, чем прямые переходы. Указанный разрыв между прямыми и обратными переходами необходим для того, чтобы исключить частые повторные переключения с одной схемы на другую (звонковую работу), которые могут привести к повреждениям аппаратуры управления и электрических машин.
Таким образом, рассмотрение работы электрической передачи тепловоза при перегруппировке тяговых двигателей, применении ослабления их возбуждения показало, что эти меры позволяют многократно использовать гиперболический участок внешней характеристики тягового генератора в широком диапазоне изменения скорости движения локомотива, реализуя номинальную мощность дизель-генератора.
В случае работы дизель-генератора на частичной мощности, устанавливаемой машинистом с помощью контроллера, также происходят изменения схемы соединения двигателей, включение резисторов ослабления возбуждения для поддержания этой мощности (уже не номинальной).
Включение контакторов для перегруппировки тяговых двигателей и ослабления возбуждения производится автоматически в зависимости от скорости движения тепловоза с помощью специальных реле перехода.
ПОЧЕМУ НА ТЕПЛОВОЗАХ НЕЛЬЗЯ ПРИМЕНЯТЬ КОНТРТОК? ЭЛЕКТРОДИНАМИЧЕСКОЕ ТОРМОЖЕНИЕ
Что произойдет, если на ходу переключить тяговые электродвигатели для работы в противоположном движению тепловоза направлении, или, как говорят, дать контрток? Ведь на паровозах применяют контрпар в качестве тормозного средства. Нельзя ли на тепловозах в необходимых случаях производить торможение с помощью контртока?
Рассмотрим изменения в работе электрических машин тепловоза в случае применения контртока. При нормальной работе электрической передачи локомотива электродвижущие силы тяговых электродвигателей направлены против подводимого к ним напряжения от тягового генератора, т. е. имеют противоположное направление электродвижущей силе генератора. Величина тока генератора будет прямо пропорциональна разности этих э. д. с.
Если на ходу произвести реверсирование тяговых электродвигателей, то изменится направление тока в их обмотках возбуждения. Легко определить по правилу правой руки, что индуктируемая ими э. д. с. также станет противоположной по направлению. Значит, теперь электродвижущие силы тяговых электродвигателей и генератора будут иметь одинаковое направление. Тяговые электродвигатели превратятся в генераторы, включенные последовательно с тяговым генератором. Ток двигателей и генератора будет пропорционален сумме их электродвижущих сил и резко возрастет. Нужно иметь еще в виду, что на тепловозах применяются тяговые электродвигатели последовательного возбуждения. Весь ток двигателей проходит по обмоткам их возбуждения. Поэтому с увеличением тока тяговых электродвигателей будет непрерывно расти их э.д.с. до тех пор, пока не наступит магнитное насыщение полюсов. Электродвигатели стремятся развивать наибольшую э. д. с. и, следовательно, создавать максимальный ток.
Величина тока в двигателях и генераторе, напряжение на их коллекторах быстро превысят допустимые пределы, нарушится нормальная коммутация электрических машин. Неизбежно возникнут вспышки электрической дуги на коллекторах машин, переходящие в круговой огонь, и перебросы на корпус.
Обычно в этих случаях срабатывают защитные устройства тепловоза, однако электрические машины успевают получить тяжелые повреждения. Поэтому применение контртока на тепловозах совершенно недопустимо.
Можно ли заставить тяговые электродвигатели работать в качестве генераторов и с их помощью производить торможение тепловоза? Да, можно, используя свойство обратимости электрических машин постоянного тока. Однако для этого тепловоз необходимо снабдить специальным оборудованием. Новый вид торможения должен быть предусмотрен уже при разработке самой схемы электрической передачи.
У нас в стране созданы опытные тепловозы с электродинамическим торможением. При таком торможении якоря тяговых электродвигателей отключаются от генератора и в их цепи вводятся специально установленные на тепловозе резисторы — тормозные реостаты. Электродвигатели переводятся в генераторный режим и создают тормозное усилие на колесных парах тепловоза. Вырабатываемая ими электрическая энергия поглощается в реостатах. В период торможения осуществляется независимое возбуждение тяговых электродвигателей от генератора. Изменение тормозного усилия производится путем регулирования тока возбуждения тяговых электродвигателей с помощью контроллера машиниста, который специальной рукояткой переключается на тормозной режим.
При этом ток возбуждения тяговых электродвигателей ограничивается таким образом, чтобы э. д. с. двигателей находилась в допустимых по коммутации пределах. Благодаря ограничению э. д. с. и резисторам в цепи якорей тяговых двигателей ток их также не выходит за допустимые значения. Электродвигатели в тормозном режиме развивают большую мощность, значительно превышающую мощность дизеля. Для поглощения такого количества электрической энергии требуются специальные реостатные устройства с интенсивным принудительным охлаждением. В процессе торможения дизель продолжает работать, так как тяговый генератор используется для питания током обмоток возбуждения тяговых электродвигателей.
Применение электродинамического торможения позволяет намного реже пользоваться пневматическими тормозами. В результате уменьшается износ тормозных колодок, обеспечиваются высокие тормозные усилия, особенно при больших скоростях движения, снижается опасность юза колесных пар. Тепловозы с электродинамическим торможением за счет более устойчивого режима торможения, исключающего перегрев тормозных колодок, допускают более высокие скорости движения поездов на уклонах. При этом достигается как увеличение средней скорости движения поездов, так и заметная экономия топлива.
Широкое внедрение электродинамического торможения является важным средством дальнейшего улучшения технико-экономических показателей перспективных тепловозов.
В начало статьи
<< Назад --------------------------------- Дальше >>
|
|