НАЗНАЧЕНИЕ АВТОСЦЕПНЫХ УСТРОЙСТВ
Автосцепки могут быть разделены на две большие группы: механические автосцепки, т, е. обеспечивающие автоматическое сцепление единиц подвижного состава, и унифицированные автосцепки, которые, помимо сцепления, предусматривают соединение межвагонных коммуникаций, включающих в себя один или два воздухопровода, а при необходимости и контакты электро- и радиоцепей, а также паропроводы отопления.
Механические автосцепки применяются для сцепления грузовых и пассажирских вагонов общего назначения; при этом межвагонные коммуникации соединяются вручную. Унифицированные автрсцепки устанавливают на специиальном подвижном составе: вагонах метрополитенов, некоторых типах зарубежных электро- и дизель-поездов и др.

Автосцепное устройство подвижного состава советских железных дорог общего назначения бывает двух типов: вагонного и паровозного.
Автосцепное устройство вагонного типа устанавливается на грузовых и пассажирских вагонах, тепловозах, электровозах, вагонах дизель- и электропоездов и тендерах паровозов, а паровозного — на паровозах, мотовозах, автодрезинах и некоторых специальных вагонах.
Узлы и детали автосцепного устройства вагонного типа имеют следующее назначение.
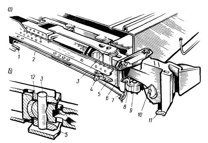
Автосцепка 13 (рис. 1) служит для сцепления единиц подвижного состава, а также передачи тяговых и ударных нагрузок. Поглощающий аппарат 5 смягчает удары и рывки, предохраняя подвижной состав, грузы и пассажиров от вредных динамических воздействий. Тяговый хомут 6 через клин 5 передает поглощающему аппарату тяговое усилие от автосцепки.

Рис. 1. Автосцепное устройство вагонного типа и его детали
Передний 9 и задний 1 упоры (объединенные упорные угольники), расположенные между стенками хребтовой балки, передают нагрузку на раму. На современном подвижном составе передний упор отлит вместе с ударной розеткой. Тяговые усилия от поглощающего аппарата передаются на передний упор через упорную плиту 7.
Задний упор воспринимает ударные нагрузки непосредственно от корпуса поглощающего аппарата.
Ударная розетка упора 9 предназначена для усиления концевой балки рамы вагона или локомотива и восприятия в некоторых случаях части удара непосредственно от автосцепки наряду с поглощающим аппаратом.
Центрирующий прибор, состоящий из двух маятниковых подвесок 7 и центрирующей балочки 12, возвращает автосцепку после бокового отклонения в центральное положение. Расцепной привод служит для расцепления автосцепок. Он состоит из расцепного рычага 3, цепи 14 и поддерживающих деталей — кронштейнов фиксирующего 2 и поддерживающего 10, укрепленных на концевой балке. Поддерживающая планка 4 удерживает автосцепку в горизонтальном положении и на определенной высоте, предусмотренной установочным чертежом.
В автосцепном устройстве восьмиосных вагонов (рис. 2, а) соединение автосцепки с тяговым хомутом выполнено посредством цилиндрического валика 3. Между валиком и автосцепкой находится вкладыш 12 (рис. 2, б) . Валик удерживается от выпадания с помощью планки 5, проходящей через отверстия в переднем упоре 6. Автосцепка 10 (см. рис. 2, а) восьмиосного вагона является полужесткой, так как имеет ограничитель 11, препятствующий разъединению автосцепок при их больших относительных перемещениях. В центрирующем приборе находится подвижная плита 8 с направляющими, опирающаяся на пружины 9. Для обеспечения сцепляемости восьмиосных вагонов в кривых участках пути небольшого радиуса эти вагоны оборудуются направляющим механизмом, состоящим из торсиона 2 (П-образного рычага из пружинной стали), укрепленного во втулках 4.

Рис. 2 Автосцепное устройство вагонного типа для восьмиосных вагонов
(а) и узел соединения с тяговым хомутом (б)
Один конец торсиона связан с приливом 7 центрирующей балочки, а другой — с соединительной балкой 1 тележки. При движении по кривой соединительная балка перемещается относительно вагона, нажимая на вертикальную часть торсиона, и отклоняет автосцепку в сторону к центру кривой, обеспечивая необходимый горизонтальный захват автосцепки.
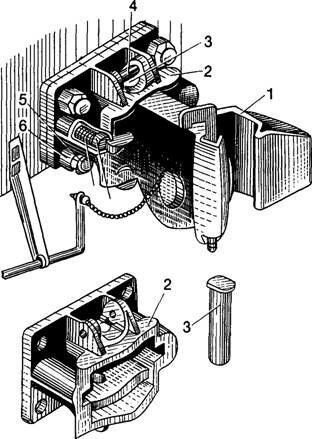
У автосцепного устройства паровозного типа (рис. 3) нет поглощающего аппарата и связанных с ним деталей. Паровозная розетка 2, предназначенная для передачи усилий от автосцепки 1 на раму подвижного состава, закреплена на концевой балке болтами 5 с гайками 6 и шплинтами.

Рис 3 Автосцепное устройство паровозного типа и его детали
Автосцепка соединена с розеткой цилиндрическим валиком 3, который проходит через отверстия в розетке и автосцепке. От выжимания вверх валик удерживается запорным болтом 4. Центрирующий прибор, состоящий из пружин 7 и стаканов 8, возвращает автосцепку в центральное положение после боковых отклонений.
В начало страницы
Назад <<< >>> Вперед
|
|