О ДРУГИХ ЗАЩИТАХ
ЗАЩИТА ОТ АТМОСФЕРНЫХ ПЕРЕНАПРЯЖЕНИЙ
Перенапряжения представляют большую опасность для электрического оборудования электровоза: они могут вызвать пробой изоляции. Различают перенапряжения коммутационные и атмосферные.
Коммутационные перенапряжения возникают вследствие выключения и включения электрических цепей под нагрузкой. Быстро изменяющиеся магнитные потоки, вызванные изменением токов в переключаемых цепях, наводят иногда опасные напряжения в обмотках аппаратов и машин.
Атмосферные перенапряжения возникают при грозах; особенно велики они, когда происходит грозовой разряд вблизи электрифицированной дороги или при прямых ударах молнии в контактную сеть. После удара молнии в контактной сети образуются быстро перемещающиеся (со скоростью света) вдоль нее волны перенапряжения. Обычная защита при столь быстро протекающих процессах не успевает сработать. Поэтому на электровозах, тяговых подстанциях и контактной сети устанавливают разрядники. Они первыми принимают на себя удар волны перенапряжения и отводят ее в землю.
На электровозах устанавливают вилитовые разрядники. При повышении напряжения на его зажимах сверх установленного воздушные промежутки, называемые искровыми, пробиваются, и контактная сеть кратковременно соединяется с землей. Искровые промежутки включены последовательно с вилитовыми дисками, сопротивление которых ограничивает ток, проходящий из контактной сети в землю. Для быстрого гашения электрической дуги, возникающей в искровых промежутках, необходимо, чтобы при увеличении приложенного напряжения уменьшалось сопротивление дисков. Этому требованию отвечает вилит, обладающий нелинейным сопротивлением. Волна перенапряжения быстро спадает, сопротивление дисков растет, следовательно, ток уменьшается и электрическая дуга гаснет. Такие разрядники называют вилитовыми. Их искровые промежутки шунтированы высокоомными резисторами, обеспечивающими равномерное распределение напряжения между искровыми промежутками.
Разрядники электровозов постоянного и переменного тока различаются числом искровых промежутков (соответственно два и семь последовательно соединенных комплектов по четыре промежутка в каждом, т. е. всего 8 и 28 искровых промежутков). Это определяет различное конструктивное выполнение разрядников.
Разрядники защищают от перенапряжений также цепи переменного тока, питающие выпрямители электровозов.
ЗАЩИТА ОТ РАДИОПОМЕХ
Помехи радиосвязи на электрифицированных железных дорогах возникают вследствие недостаточно плотного контакта между токоприемником и контактным проводом, плохой коммутации электрических двигателей постоянного тока. В последнем случае происходит искрение щеток, возникает и гаснет дуга в выключателях и контакторах, что вызывает появление токов высокой частоты. Эти токи генерируют электромагнитные колебания, создавая радиопомехи, особенно в диапазоне длинных и средних волн.
По характеру воздействия на приемники различают гладкие (непрерывные) помехи и импульсные.
Снижают уровень помех, прежде всего поддерживая в исправности устройства электроснабжения и локомотивы. Другой путь снижения его — увеличение сопротивления токам высокой частоты. Для этого после токоприемника локомотива включают фильтр, состоящий из дросселя Др и конденсатора С. Конденсатор С соединен одной обкладкой с дросселем, а другой — с кузовом электровоза и, следовательно, с землей. Токи высокой частоты, значительно сниженные вследствие большого индуктивного сопротивления дросселя, через конденсатор, обладающий малым емкостным сопротивлением, отводятся в землю.
Дроссель и конденсатор образуют контур, который настраивают, подбирая индуктивное и емкостное сопротивления таким образом, чтобы в землю отводились гармонические составляющие тех частот, при которых помехи наибольшие.
ЗАЩИТА ОТ БОКСОВАНИЯ
Электровозы постоянного тока с последовательным возбуждением тяговых двигателей, как уже отмечалось, имеют повышенную склонность к боксованию. Созданы и разрабатываются различные способы борьбы с боксованием, в первую очередь для электровозов постоянного тока.
Развившееся боксование часто не прекращается при подсыпке песка, применение которого увеличивает коэффициент сцепления. Прекратить боксование можно, уменьшив силу тяги, развиваемую тяговыми двигателями, так, чтобы она стала ниже силы трения скольжения бандажей по рельсам. Для этого необходимо перейти на низшие ступени регулирования. Но тогда снижается сила тяги двигателей всех колесных пар, а не только боксующих, т. е. прекращение боксования таким способом обычно сопровождается снижением скорости. Поэтому для прекращения боксования целесообразно предусмотреть автоматическое снижение силы тяги, а следовательно, и момента только у боксующего двигателя. На электровозах постоянного тока уменьшить момент, развиваемый двигателем, можно, введя в его цепь секцию пусковых реостатов. При параллельном соединении двигателей можно также перейти со ступеней ослабленного возбуждения на полное, что приводит к уменьшению тока, потребляемого двигателем.
При последовательном соединении нескольких двигателей (не менее шести) силу тяги двигателя можно снизить, ослабляя его возбуждение, поскольку общая э. д. с. всех двигателей уменьшится незначительно и соответственно не намного возрастет ток, потребляемый двигателями этой цепи. Зато в результате значительного уменьшения магнитного потока боксующей колесной пары резко уменьшится сила тяги ее двигателя. Все эти мероприятия, применяемые в зависимости от схемы соединения двигателей в момент начала боксования, осуществлены на электровозе ВЛ11 в сочетании с автоматической подсыпкой песка под первые по ходу движения колеса каждой тележки и подачей светового сигнала на пульт машиниста. Сигналы к защите от боксования поступают со специального бесконтактного полупроводникового датчика — одного на каждые два последовательно соединенных двигателя. Датчик сравнивает э. д. с. этих двигателей и в случае необходимости выдает соответствующий сигнал.
Тот же принцип защиты от боксования используется на электровозах ВЛ10. На этих электровозах последних выпусков имеются датчики того же типа, что и на ВЛ11.

Рис. 101. Схема включения реле боксования (а),
перехода на ослабленное или полное возбуждение (б)
и схема, поясняющая действие уравнительного контактора (в)
Реле боксования РБ включено в одну из диагоналей моста VD1—VD4 (рис. 101, а). Другая диагональ подключена к точкам А и Б. При нормальной работе э. д. с. тяговых двигателей I и II равны.. Если началось боксование, допустим, колесной пары, на оси которой расположен двигатель 1, э. д. с. Е1 станет больше Е2,и ток от точки Б пойдет через диод VD3, катушку реле РБ, диод VD4 к точке А. Реле боксования сработает и своим блок-контактом замкнет цепь светового сигнала и цепь включения подачи песка.
В случае боксования колесной пары с двигателем II ток пойдет через диод VD1, обмотку реле РБ, диод VD2. Мостовая схема обеспечивает в том и другом случае прохождение тока по катушке реле в одном и том же направлении. Поэтому реле не размагничивается и не изменяется его уставка. Резисторы R ограничивают ток, проходящий через обмотку реле.
Защита осуществляет перевод боксующего тягового двигателя на ослабленное возбуждение при последовательном соединении двигателей электровоза и с ослабленного возбуждения на полное при последовательно-параллельном и параллельном соединении двигателей. Кроме того, при двух последних схемах соединения двигателей включается уравнительный контактор К (рис. 101, в), что приводит к повышению жесткости характеристик. При замыкании контактора К увеличивается ток возбуждения и уменьшается ток якоря боксующего двигателя. На последовательно-параллельном соединении в цепь, где находится боксующий двигатель, дополнительно вводится часть пусковых резисторов.
Боксование также может возникнуть и вследствие перераспределения вертикальных нагрузок от колесных пар на рельсы. Перераспределение их вызывается моментом, создаваемым касательной силой тяги FK и силой сопротивления движению состава W, приложенными на разной высоте (рис. 102).

Рис. 102. Схема расположения противоразгрузочных устройств электровоза
Этот момент стремится приподнять передние по ходу локомотива тележки и передние колесные пары каждой тележки, в результате чего вертикальные нагрузки на передние тележки каждой секции уменьшаются, а на задние второй тележки — увеличиваются. Это может вызвать боксование передних колесных пар.
Для того чтобы на все тележки и колесные пары действовали равные нагрузки, на электровозах ВЛ80т, ВЛ80с, ВЛ80р, ВЛ10, ВЛ11 установлены противоразгрузочные (догружающие) пневматические устройства1. Как только электровоз начинает двигаться с составом, сжатый воздух подводится к передним по ходу электровоза цилиндрам каждой тележки, и поршни этих цилиндров через штоки с роликами давят на раму тележек, как бы догружая их.
Расположение на электровозе цилиндром противоразгрузочных устройств на рис. 102 показано условно. В действительности цилиндры установлены на тележках горизонтально и передают давление на них через рычаги.
В зависимости от силы тяги специальный регулятор изменяет давление сжатого воздуха. Регулирование давления осуществляется воздействием реле давления РД1 и РД2, включенных в цепь тяговых двигателей. Чем больше ток, проходящий через тяговые двигатели и обмотки реле давления, тем больше сила тяги и тем под большим давлением подается сжатый воздух в противоразгрузочные цилиндры. В зависимости от направления движения открывается клапан К1 или К2; катушки клапанов включены в цепь тяговых двигателей электровоза.
РЕЛЕ РЕКУПЕРАЦИИ
В момент перехода на рекуперативное торможение, например, двух тяговых двигателей, соединенных последовательно, суммарная электродвижущая сила должна быть близка к напряжению контактной сети. Если это условие не будет выполнено, то, как уже отмечалось, через тяговые двигатели пойдет недопустимо большой ток. Чтобы этого избежать, на восьмиосных электровозах используют реле рекуперации, которые автоматически присоединяют тяговые двигатели к контактной сети, когда их суммарная эдс равна еапряжению контактной сети.
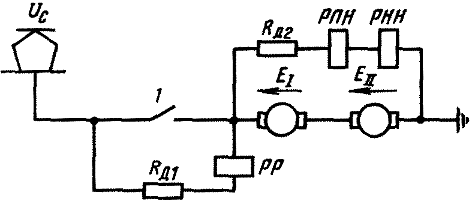
Реле РР включают таким образом (рис. 103), что если суммарная э. д. с. тяговых двигателей значительно отличается от напряжения контактной сети, через его обмотку проходит ток и якорь реле притянут к сердечнику. Контакт 1, введенный в цепь тяговых двигателей, разомкнут. Машинист, перемещая тормозную рукоятку контроллера, изменяет э. д. с. тяговых двигателей. Когда разница между нею и напряжением контактной сети составит 80—100 В, якорь реле отпадет, контакт 1 замкнется. Резистор ограничивает ток в цепи реле.

Рис. 103. Схема включения реле
РЕЛЕ ПОВЫШЕННОГО И НИЗКОГО НАПРЯЖЕНИЯ
Напряжение в контактной сети изменяется в довольно широких пределах. Поэтому электрическое оборудование электровозов постоянного тока рассчитывают на работу при максимальном напряжении 4000 В. В процессе рекуперативного торможения на токоприемнике напряжение может превысить это значение и вызвать пробой изоляции либо круговой огонь на коллекторах тяговых двигателей или вспомогательных машин. Чтобы предотвратить это, на электровозах устанавливают реле повышенного напряжения РПН. Включают его по схеме, показанной на рис. 103. При напряжении более 4000 В якорь реле РПН притягивается, его контакты замыкают цепь светового сигнала на пульте машиниста и производят переключения, в результате которых уменьшается ток возбуждения генератора преобразователя.
Если электровоз работал в тяговом режиме и в контактной сети по каким-либо причинам напряжение превысило 4000 В, то реле отключает цепи ослабления возбуждения тяговых двигателей.
Наблюдаются и кратковременные понижения напряжения в контактной сети, например, при непродолжительном отключении ближайшей к электровозу тяговой подстанции. Контактная сеть в это время питается от далеко расположенных подстанций. Резкое повышение (бросок) напряжения при включении подстанции может вызвать опасные для электровоза броски тока и силы тяги. Чтобы предупредить машиниста о понижении напряжения, на электровозах устанавливают реле пониженного напряжения РНН (см. рис. 103), которые при определенном напряжении включают световой сигнал. Машинист в этом случае принимает необходимые меры, например включает в цепь тяговых двигателей пусковые реостаты или отключает их.
Кроме рассмотренных, имеются и другие устройства, защищающие оборудование электровозов при ненормальных режимах. Так, на электровозах ВЛ10 устанавливают малогабаритный быстродействующий выключатель БВЭ-ЦНИИ, обеспечивающий совместно с дифференциальными реле защиту вспомогательных цепей. На электровозах ВЛ11, ВЛ8 и ВЛ23 с этой целью применяют дифференциальные реле и специальный контактор вспомогательных цепей (КВЦ).
РЕЛЕ ОБОРОТОВ
На электровозах переменного тока автоматический контроль частоты вращения ротора расщепителя фаз осуществляется с помощью реле оборотов.
Такой контроль необходим, так как асинхронные тяговые двигатели могут быть повреждены, если их включать при неработающем расщепителе фаз или медленно вращающемся роторе расщепителя. Асинхронные двигатели включаются после того, как частота вращения ротора расщепителя фаз достигнет 1430 об/мин.
РЕЛЕ ВРЕМЕНИ
На этих же электровозах применяется защита главного контроллера с помощью реле времени от замедленного вращения кулачкового вала переключателя. Катушка реле времени получает питание на всех фиксированных позициях кулачкового вала переключателя ступеней главного контроллера. Во время поворота кулачкового вала от одной позиции к другой цепь питания ее прерывается специальными блок-контактами. Но якорь реле при этом отрывается от сердечника не сразу, а с выдержкой времени, которую создает медное кольцо, имеющееся на сердечнике: после снятия напряжения с катушки реле медное кольцо поддерживает (в течение нескольких секунд) магнитный поток катушки и якорь удерживается притянутым.
ПЛАВКИЕ ПРЕДОХРАНИТЕЛИ
Довольно широко, особенно в низковольтных цепях управления, для защиты от токов короткого замыкания используют плавкие предохранители. Как правило, применяют трубчатые предохранители, в которых используются наполнители, способствующие гашению дуги.
В начало статьи
<<Назад --------------------------------- Дальше >>
|
|