ЧЕРТЕЖИ В "КОМПАСЕ" УЗЛОВ ТЕПЛОВОЗОВ

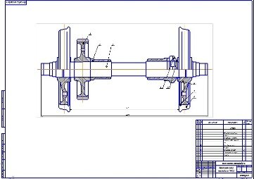
Колесная пара тепловоза Чертеж в КОМПАСЕ
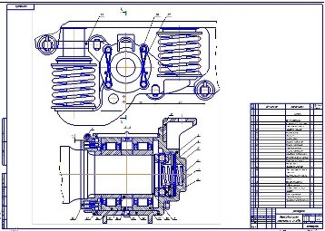
Буксовый узел тепловозов Чертеж в КОМПАСе
401 Колесная пара тепловоза унифицированная (2ТЭ116, 2ТЭ10М, 2М62 и др.) 402 Буксовый узел тепловозов 2ТЭ116, 2ТЭ10М, 2М62
Рессорное подвешивание тепловозов Фрикционный гаситель колебаний тепловоза 2ТЭ116 Чертеж в КОМПАСе
403 Рессорное подвеншивание тепловоза 2ТЭ116 404 Фрикционный гаситель колебаний тепловоза 2ТЭ116
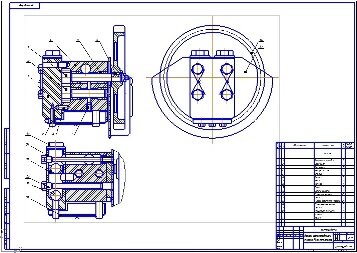
Моторно-осевой подшипник тепловоза 2ТЭ116 Чертеж в КОМПАСе Шестеренный насос смазки МОП тепловоза 2ТЭ116 Чертеж в компасе
405 Моторно-осевой подшипник тепловоза 2ТЭ116 406 Шестерённый насос смазки МОП тепловоза 2ТЭ116
Колёсно-моторный блок тепловоза 2ТЭ116 Рама тележки тепловоза 2ТЭ116
407 Колёсно-моторный блок тепловоза 2ТЭ116 408 Рама тележки тепловоза 2ТЭ116
Колесная пара тепловоза ЧМЭ3 Чертеж в КОМПАСе Букса тепловоза ЧМЭ3 Чертеж в КОМПАСе
409 Колёсная пара тепловоза ЧМЭ3 410 Буксовый узел тепловоза ЧМЭ3 с приводом скоростемера
Рама тележки тепловоза ТГМ4 Чертеж в КОМПАСе Тележка тепловоза ТГМ4
411 Рама тележки тепловоза ТГМ4 412 Тележка тепловоза ТГМ4
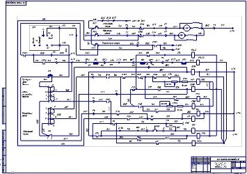
Тяговый редуктор тепловоза Схема тормозной рычажной передачи тепловоза 2ТЭ116
413 Тяговый редуктор тепловоза 2ТЭ116 414 Схема тормозной рычажной передачи тепловоза 2ТЭ116
Схема тормозной рычажной передачи тепловоза ЧМЭ3 Чертеж в КОМПАСе Схема тормозной рычажной передачи тепловоза ТГМ4
415 Схема тормозной рычажной передачи тепловоза ЧМЭ3 416 Схема тормозной рычажной передачи тепловоза ТГМ4
Коленчатый вал тепловоза 2ТЭ116 Шатунный механизм тепловоза 2ТЭ116
417 Коленчатый вал тепловоза 2ТЭ116 418 Шатунный механизм тепловоза 2ТЭ116
Поршень дизеля тепловоза 2ТЭ116 Чертеж в КОМПАСе Схема воздухоснабжения дизеля Д49
419 Поршень тепловоза 2ТЭ116 420 Схема воздухоснабжения дизеля Д49 (2ТЭ116)
Турбокомпрессор ТК-38 дизеля Д49 Топливный насос высокого давления дизеля
421 Турбокомпрессор ТК-38 дизеля Д49 (2ТЭ116) 422 Топливный насос высокого давления
Топливоподкачивающий насос Фильтр тонкой очистки топлива
423 Топливоподкачивающий насос 424 Фильтр тонкой очистки топлива
Форсунка дизеля Д49 Воздушный фильтр дизеля тепловоза ТГМ4
425 Форсунка дизеля Д49 426 Воздушный фильтр дизеля тепловоза ТГМ4
Охладитель наддувочного воздуха ТГМ4 одяной насос тепловоза ТГМ4
427 Охладитель наддувочного воздуха тепловоза ТГМ4 428 Водяной насос тепловоза ТГМ4
Схема воздухоснабжения дизеля 10Д100 Форсунка дизеля тепловоза ЧМЭ3
429 Схема воздухоснабжения дизеля 10Д100 430 Топливный насос высокого давления тепловоза ЧМЭ3
Блок дизеля тепловоза ЧМЭ3 Клапан дизеля тепловоза ЧМЭ3
431 Блок дизеля тепловоза ЧМЭ3 432 Клапан дизеля тепловоза ЧМЭ3
Схема работы предельного регулятора тепловоза ЧМЭ3 Букса тепловоза ТГМ4
433 Схема работы предельного регулятора тепловоза ЧМЭ3 434 Букса тепловоза ТГМ4
Мотор-вентилятор холодильной камеры 2ТЭ116 Тяговый генератор ГС-501А тепловоза 2ТЭ116
435 Мотор-вентилятор холодильной камеры тепловоза 2ТЭ116 436 Тяговый генератор ГС-501А тепловоза 2ТЭ116
Реле боксования Р-46Б-1 (тепловоза ТЭМ2) Контактор пневматический ПК- 1146А тепловоза 2ТЭ116
437 Реле боксования Р-46Б-1 (тепловоза ТЭМ2) 438 Контактор пневматический ПК-1146А тепловоза 2ТЭ116
Шатуны и поршень дизеля Д49 тепловоза 2ТЭ116 Рессорное подвешивание тепловоза
439 Шатуны и поршень дизеля Д49 тепловоза 2ТЭ116 440 Рессорное подвешивание тепловоза
Осевой редуктор тепловоза ТГМ Цепи пуска дизеля тепловоза ТЭМ2
441 Осевой редуктор тепловоза ТГМ 442 Цепи пуска дизеля тепловоза ТЭМ2
Реле заземления Р47-Г2 (тепловоз ТЭ10М)  
443 Реле заземления Р47-Г2 (тепловоз ТЭ10М)  

 

 

ВНИМАНИЕ!
ВСЕ ЧЕРТЕЖИ,
ВЫЛОЖЕННЫЕ
НА НАШЕМ САЙТЕ, ОТКРЫВАЮТСЯ
И МОГУТ БЫТЬ
ОТРЕДАКТИРОВАНЫ
В ПРОГРАММЕ
"КОМПАС 3D V15"

Ссылки для
скачивания:

64-битная версия

32-битная версия

ЭТО ПОРТАТИВНЫЙ ВАРИАНТ;
ОН НЕ ТРЕБУЕТ
УСТАНОВКИ,
ОТКРЫВАЕТСЯ СРАЗУ
ИЗ ПАПКИ Bin
ФАЙЛ KOMPAS.exe

МОЖНО СКАЧАТЬ БЕСПЛАТНУЮ ЛИЦЕНЗИОННУЮ
ВЕРСИЮ С САЙТА АСКОН; НАШИ ЧЕРТЕЖИ С ЕЁ ПОМОЩЬЮ ТОЖЕ МОГУТ БЫТЬ ОТКРЫТЫ, ОТРЕДАКТИРОВАНЫ, ВЫВЕДЕНЫ НА ПЕЧАТЬ

Большаков Компас

Ганин КОМПАС

Герасимов КОМПАС

Самсонов КОМПАС