ЧЕРТЕЖИ В "КОМПАСЕ" УЗЛОВ ВАГОНОВ

Размещение автосцепки СА-3 на вагоне
Автосцепка СА-3
301 Чертеж в КОМПАСЕ Размещение автосцепного устройства на вагоне 302 Чертеж в КОМПАСЕ Автосцепка СА-3
Автосцепка СА-3 Три вида Поглощающие аппараты вагонов
303 Чертеж в КОМПАСе. Автосцепка СА-3 (три вида) 304 Чертеж в КОМПАСЕ. Поглощающие аппараты вагоноа (Ш-2-В, Ш6-ТО-4, ПМКП-110)
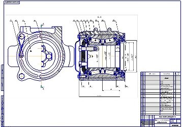
Поглощающий аппарат Ш-6-ТО-4 Поглощающий аппарат Ш-1-ТМ
305 Чертеж в КОМПАСе. Поглощающий аппарат Ш6-ТО-4 (три вида) 306 Чертеж в КОМПАСе. Поглощающий аппарат Ш-1-ТМ
Тяговый хомут Колесная пара РУ1Ш-957
307 Чертеж в КОМПАСе. Тяговый хомут 308 Чертеж в КОМПАСе. Колёсная пара РУ1Ш-957
Буксовый узел для оси РУ1 Буксовый узел для оси РУ1Ш
309 Чертеж в КОМПАСе. Буксовый узел вагона с креплением подшипников торцовой гайкой 310 Чертеж в КОМПАСе. Буксовый узел вагона с креплением подшипников тарельчатой шайбой
Буксовый узел с кассетными подшипниками Боковая рама тележки 18-100
311 Чертеж в КОМПАСе. Буксовый узел вагона с кассетными подшипниками 312 Чертеж в КОМПАСе. Боковая рама тележки 18-100
Надрессорная балка тележки 18-100 Тележка 18-100
313 Чертеж в КОМПАСе. Надрессорная балка тележки 18-100 314 Чертеж в КОМПАСе. Тележка модели 18-100
Тележка 18-100 Сборочный чертеж и деталировка Тележка модели 18-578
315 Чертеж в КОМПАСе. Тележка 18-100. Сборочный чертж и деталировка 316 Чертеж в КОМПАСе. Тележка 18-578
Тележка пассажирского вагона КВЗ-ЦНИИ Тележка пассажирского вагона ТВЗ-ЦНИИ-М
317 Чертеж в КОМПАСе. Тележка пассажирского вагона КВЗ-ЦНИИ 318 Чертеж в КОМПАСе. Тележка пассажирского вагона ТВЗ-ЦНИИ-М
Привод подвагонного генератора от середины оси Рама полувагона
319 Чертеж в КОМПАСе. Привод подвагонного генератора от средней части оси 320 Чертеж в КОМПАСе. Рама полувагона
Полувагон модели 12-132 Цистерна модели 15-1443
321 Чертеж в КОМПАСе. Полувагон модели 12-132 322 Чертеж в КОМПАСе. Цистерна модели 15-1443
Пассажирский вагон Пассажирский вагон модели 61-4440
323 Чертеж в КОМПАСе. Пассажирский вагон модели 61-836 324 Чертеж в КОМПАСе. Пассажирский вагон (купированный) модели 61-4440
   
   
   
   
   
   
   
   
   
   
   
   
   
   
   
   
   
   
   
   
   
   
   
   
   
   
   
   
   

 

 

ВНИМАНИЕ!
ВСЕ ЧЕРТЕЖИ,
ВЫЛОЖЕННЫЕ
НА НАШЕМ САЙТЕ, ОТКРЫВАЮТСЯ
И МОГУТ БЫТЬ
ОТРЕДАКТИРОВАНЫ
В ПРОГРАММЕ
"КОМПАС 3D V15"

Ссылки для
скачивания:

64-битная версия

32-битная версия

ЭТО ПОРТАТИВНЫЙ ВАРИАНТ;
ОН НЕ ТРЕБУЕТ
УСТАНОВКИ,
ОТКРЫВАЕТСЯ СРАЗУ
ИЗ ПАПКИ Bin
ФАЙЛ KOMPAS.exe

МОЖНО СКАЧАТЬ БЕСПЛАТНУЮ ЛИЦЕНЗИОННУЮ
ВЕРСИЮ С САЙТА АСКОН; НАШИ ЧЕРТЕЖИ С ЕЁ ПОМОЩЬЮ ТОЖЕ МОГУТ БЫТЬ ОТКРЫТЫ, ОТРЕДАКТИРОВАНЫ, ВЫВЕДЕНЫ НА ПЕЧАТЬ

Большаков Компас

Ганин КОМПАС

Герасимов КОМПАС

Самсонов КОМПАС