ЭЛЕКТРИЧЕСКОЕ ТОРМОЖЕНИЕ
Двигатели постоянного тока, в том числе и тяговые, как уже было отмечено, обладают свойством обратимости, т. е, могут работать как генераторы. При этом кинетическая и потенциальная энергия поезда преобразуются в электрическую. Получаемая энергия превращается в тепловую в резисторах или возвращается в контактную сеть. В зависимости от этого различают два вида электрического торможения: реостатное и рекуперативное.
При реостатном торможении тяговые двигатели отключают от контактной сети и включают на тормозные резисторы. Преимуществом этого способа торможения является независимость тормозного процесса от наличия напряжения в контактной сети. Применяют две системы реостатного торможения: с самовозбуждением двигателей и с независимым возбуждением.
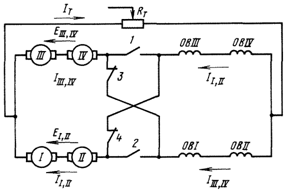
В первом случае обмотки возбуждения двигателей соединены последовательно с обмотками их якорей. Чтобы обеспечить переход из тягового режима в тормозной, начало и конец обмоток возбуждения тяговых двигателей меняют местами с помощью контактов реверсора (рис. 45). Это необходимо, так как в генераторном режиме ток по обмоткам якоря проходит в направлении, противоположном его направлению в двигательном режиме, а по обмотке возбуждения ток должен проходить в том же направлении.

Рис.45 Схема цепей электрического торможения при включении группы тяговых двигателей на отдельный тормозной реостат
Действительно, если отсутствует напряжение, подаваемое на двигатель извне, направление тока будет определяться направлением э. д. с. двигателя, противоположным направлению внешнего напряжения.
Известно, что сталь после прекращения ее намагничивания обладает остаточным магнетизмом, который исчезает, когда изменяется направление тока в обмотках возбуждения. При этом может нарушиться самовозбуждение двигателей.
Во время торможения каждую группу, например, из двух тяговых двигателей, соединенных последовательно, можно включить на отдельный тормозной резистор Rт (см. рис. 45). Если в режиме тяги были замкнуты контакты реверсора 1, 2, то перед переходом на реостатное торможение они размыкаются и замыкаются контакты 3, 4. При этом тормозной ток Iт, проходя по обмоткам возбуждения в том же направлении, что и в двигательном режиме, создает поток, намагничивающий машину. Их общая э. д. с. увеличивается. Ток Iт возрастает до некоторого значения, определяемого скоростью движения и сопротивлением тормозного реостата Rт. Тормозную силу регулируют, изменяя ток Iт путем включения или выключения секций тормозного реостата с помощью контакторов (на рис. 45 они не показаны).
При реостатном торможении тяговые двигатели включают параллельно по два в каждом плече. В этом случае возросшее напряжение на каждом двигателе находится в допустимых пределах — в 1,5—1,7 раза выше, чем в тяговом режиме, и можно использовать в режиме торможения пусковой реостат. Однако при параллельном соединении двигателей последовательного возбуждения приходится принимать специальные меры для обеспечения их устойчивой работы и равномерного распределения тока между ними. Если двигатели включить параллельно (рис. 46 — замкнуты контакты 1, 2, а контакты 3, 4 разомкнуты), реостатное торможение неустойчиво, так как любое случайное увеличение тока в одной из двух ветвей, содержащих по два последовательно соединенных двигателя, увеличивает э. д. с. двигателей этой ветви. Появляется уравнительный ток, который еще больше нагружает их и разгружает двигатели другой ветви. Это может в конце концов привести к короткому замыканию двигателей первой ветви и полному размагничиванию, а затем и перемагничиванию двигателей второй ветви.
(Электрически устойчивой является система, в которой при нарушении установившегося состояния, вызванном так называемыми возмущающими воздействиями, токи и напряжения изменяются, но после исчезновения этих воздействий принимают прежние установившиеся значения. Если меняются условия, определяющие установившийся режим (например, напряжение сети, сопротивление тормозного реостата), то устойчивая система принимает новое состояние равновесия. Система, не удовлетворяющая этим условиям, неустойчива.)
Наилучшее распределение нагрузок между тяговыми машинами и их устойчивую работу обеспечивает так называемая перекрестная схема (на рис. 46 контакты 1, 2 разомкнуты, а контакты 3, 4 замкнуты).

Рис.46. Схема цепей электрического торможения с общим тормозным реостатом при перекрестном включении обмоток возбуждения
Если по какой-либо причине э. д. с. двигателей I, II, а следовательно, и ток будут больше, чем соответственно э. д. с. и ток двигателей III, IV, ток в обмотках возбуждения последних будет возрастать, пока э. д. с. двигателей I, II и III, IV не станут равными.
В случае параллельного соединения трех групп двигателей возможно применение так называемой циклической схемы реостатного торможения, при которой обмотка возбуждения каждого двигателя соединена последовательно с якорем двигателя другой параллельной ветви. Подразумевается такое включение обмоток, при котором их потоки не размагничивают двигатели.
Реостатное торможение двигателей с самовозбуждением имеет ряд недостатков. Одним из них является сравнительно медленное самовозбуждение и относительно большое время, которое требуется для создания необходимой тормозной силы. Чтобы ускорить самовозбуждение, можно подать дополнительное напряжение от независимого источника либо на основную обмотку возбуждения, либо на специальную добавочную обмотку с небольшим числом витков. При этом начальная э. д. с. определяется уже не потоком остаточного магнетизма, а значительно большим магнитным потоком.
Тормозную силу регулируют, изменяя как сопротивление Rт, так и магнитный поток двигателей, для чего изменяют напряжение независимого источника.
В случае рекуперативного торможения электрическая энергия, возвращаемая в контактную сеть рекуперирующим электровозом, потребляется электровозами, находящимися с ним на одном участке и работающими в тяговом режиме. Если таких электровозов нет или необходимая им энергия меньше рекуперируемой, то так называемая избыточная энергия рекуперации через устанавливаемые на тяговой подстанции специальные устройства — инверторы, преобразующие постоянный ток в переменный трехфазный, направляется в энергосистему. На электрифицированных участках с очень интенсивным движением, где, как правило, почти вся рекуперируемая энергия потребляется электровозами или электропоездами, работающими в режиме тяги, иногда вместо инверторов на подстанциях устанавливают поглощающие резисторы. Они автоматически включаются при наличии избыточной энергии рекуперации.
Применение рекуперации дает большой эффект. На отдельных участках с крутыми спусками может быть сэкономлено до 20% электрической энергии, затрачиваемой на тягу поездов. Преимущества рекуперативного торможения этим не ограничиваются. Когда поезд следует по крутому спуску, для того чтобы его скорость не превысила допустимую, обычно локомотив и состав периодически подтормаживают пневматическими тормозами. В результате скорость движения поезда уменьшается, а затем вновь возрастает, т. е. средняя скорость его на спуске ниже допустимой. Кроме того, все время притормаживать поезд нельзя, так как истощается пневматическая тормозная система, снижается коэффициент трения колодок вследствие их нагревания. При рекуперативном торможении можно обеспечить на спуске постоянную скорость, близкую к допустимой, зависящей от состояния пути, конструкции электровозов, вагонов, контактной сети. Кроме того, к контактной сети при рекуперации подключается дополнительный источник энергии, напряжение в ней повышается, и другие электровозы на этом участке, следующие по подъему или площадке, могут развивать более высокую скорость.
Благодаря электрическому торможению также значительно уменьшается износ тормозных колодок и колес подвижного состава, в результате чего намного снижаются расход металла и затраты на ремонт колесных пар.
Системы рекуперативного торможения должны обеспечивать постоянный ток рекуперации в тяговых двигателях и тормозной момент в условиях непрерывного изменения напряжения в контактной сети. Напряжение в контактной сети колеблется хотя бы потому, что от нее в разные периоды питается различное количество электровозов и электропоездов, да и потребляемая ими мощность меняется в очень широких пределах. При эти возможны резкие изменения тока pрекуперации. Этот ток определяется разностью суммарной э. д. с. последовательно соединенных двигателей и напряжения в контактной сети, деленного на сопротивление их обмоток. Общее сопротивление обмоток двигателей, даже соединенных последовательно, как отмечалось выше, мало. Поэтому даже относительно небольшие резкие изменения разности суммарной э. д. с. и напряжения сети вызывают большие броски тока.
Предположим, что в контактной сети по какой-либо причине напряжение увеличилось. Тогда ток в якоре тягового двигателя, работающего в режиме генератора, может изменить направление, и двигатель автоматически перейдет в тяговый режим. Вместо того чтобы тормозить поезд, двигатель будет разгонять его. При понижении напряжения, наоборот, ток рекуперации резко увеличится, тормозной момент возрастет и в поезде возникнут сильные толчки вследствие набегания хвостовых вагонов.
Следовательно, при допустимых нормами колебаниях напряжения в контактной сети в системе рекуперативного торможения должен автоматически поддерживаться примерно один и тот же ток рекуперации, а значит, и тормозной момент, установленный в зависимости от условий движения поезда.
Напомним, что для перехода двигателя из тягового режима в генераторный необходимо, чтобы э. д. с. в обмотке якоря стала больше приложенного напряжения, т. е. напряжения в контактной сети. Но двигатель с последовательным возбуждением не может перейти в режим генератора, потому что магнитный поток возбуждения в нем резко снижается при уменьшении нагрузки, а э. д. с. в обмотке якоря не может стать выше напряжения в сети.
Для того чтобы осуществить рекуперативное торможение, необходимо обмотки возбуждения отключить от обмоток якорей и питать их от постороннего источника энергии, например от специального генератора возбудителя В (рис. 47, а).

Рис.47 Схема рекуперативного торможения при независимом возбуждении тяговых двигателей со стабилизирующим резистором Rст (а) и с противовозбуждением возбудителя (б)
Якорь возбудителя приводится во вращение двигателем Д. В этом случае можно установить в обмотках возбуждения такой ток, при котором э. д. с. в обмотках якорей тяговых двигателей станет больше напряжения в контактной сети. Если скорость движения поезда уменьшится, то может снизиться э. д .с. двигателей, работающих в режиме генераторов. Однако достаточно увеличить ток возбуждения Iв чтобы поддержать необходимую э. д. с, а значит, ток и тормозной момент, создаваемый двигателями. Для этого регулируют ток Iв в независимой обмотке возбуждения возбудителя В, изменяя сопротивление реостата П..
Схемы, построенные по такому принципу, можно использовать для рекуперативного торможения нескольких параллельно включенных двигателей. При этом в каждой цепи двигателя имеется стабилизирующий резистор R т, а обмотки возбуждения подключены к общему возбудителю В. Стабилизирующие резисторы обеспечивают электрическую устойчивость системы в режиме рекуперативного торможения, но они жесоздают и присущий схеме недостаток: значительные потери энергии в этих резисторах и необходимость повышенной мощности возбудителя для их компенсации.
Предложено несколько схем, свободных от этого недостатка. Так, на восьмиосных электровозах для осуществления рекуперативного торможения используют противовозбуждение возбудителя (рис. 47, б). В этом случае обмотки возбуждения ОВ тяговых двигателей подключают к якорю возбудителя В. Возбудитель имеет две обмотки: независимую ОНВ, напряжение в которую подается от постороннего источника энергии, и обмотку противовозбуждения ОПВ, включенную последовательно в цепь тока рекуперации. Магнитные потоки обеих обмоток, создаваемые соответственно токами Iонв и Iр, направлены встречно. При увеличении тока рекуперации в случае уменьшения напряжения в контактной сети ток обмотки противовозбуждения снижает результирующий магнитный поток возбуждения возбудителя. Соответственно уменьшаются возбуждение генератора (тягового двигателя) и его э. д. с. Когда напряжение в контактной сети повышается, ток рекуперации уменьшается и все процессы в схеме проходят в обратном порядке. При рекуперативном торможении с использованием противовозбуждения обмотки возбуждения двигателей включают так же, как и при реостатном торможении, по циклической схеме. Это позволяет выравнивать токи в параллельных цепях якорей двигателей в случае повышения э. д. с. в одной из них.
В зависимости от скорости движения поезда рекуперативное торможение применяют на трех соединениях якорей тяговых двигателей. Если скорость движения большая, используют параллельное соединение. В случае малой скорости движения получить большую э. д. с. машин невозможно, и тогда применяют последовательно-параллельное или последовательное соединение.
Необходимые переключения в силовой цепи для перехода в рекуперативный режим производят тормозным переключателем. По устройству он аналогичен реверсору (см. рис. 44). На электровозах серий ВЛ8, ВЛ10, ВЛ11 (в двухсекционном исполнении) устанавливают два кулачковых тормозных переключателя.
В начало статьи
<<Назад --------------------------------- Дальше >>
|
|