ЭПТ ЭЛЕКТРОПОЕЗДОВ. РАБОТА
ЭЛЕКТРОПНЕВМАТИЧЕСКИЙ ТОРМОЗ ЭЛЕКТРОПОЕЗДОВ
Электропневматический тормоз, установленный на электропоездах (моторво-гонных секциях), выполнен на базе существующего пневматического тормоза. В общей системе тормозного оборудовании электропоезда электропневматический тормоз является основным и лишь при неисправности устройств электрического управления в действие приводится резервный пневматический тормоз. Электропневматический тормоз по сравнению с другими типами тормозов имеет наибольшую скорость распространения тормозной волны го поезду. Это обеспечивает хорошую плавность при всех видах торможения, малое время наполнения тормозных цилиндров и сокращение тормозных путей. Благодаря быстрому и одновременному изменению давления во всех цилиндрах тормоз легко управляется и позволяет получить большое число ступеней торможения и отпуска. Тормоз обладает повышенной неистощимостью, так кок магистраль при торможении не разряжается.
Дополнительно к приборам пневматического тормоза на вагонах электропоездов установлены краны машиниста 1 № 334Э с контроллерами типа ЕК-8Р, предназначенные для электрического управления тормозами, и вентили перекрыши 2 кранов машиниста, поддерживающие необходимое давление в уравнительном резервуаре. Тормозные переключатели 3 служат для подключения электрических цепей тормоза к источнику питания напряжением 50 В. На вагонах установлены также эпектровоздухораспределители 4 № 305-001 для наполнения тормозных цилиндров сжатым воздухом и для выпуска его. Блок-реле 7, размещенные в кабинах прицепных вагонов, служат для контроля исправности цепи управления в процессе торможения.


Эту и последующие картинки следует рассматривать как разворот книги: вверху - левая половина рисунка, ниже - его правая половина
Четыре линейных (поездных) провода марки ПСИ 000 сечением 2,5 мм тормоза проложены вдоль каждого вагона и связаны междувагонными соединениями 6.
На моторвагонных секциях серии С проложено четыре поездных провода соединяемых в определенную электрическую схему контактами тормозных переключателей 3, которые имеют три фиксированных положения: I — включено—в передней кабине головного вагона, II — нейтральное — во всех промежуточных кабинах, Ш —выключено — в концевой кабине хвостового вагона.
Одновременно эти переключатели обеспечивают электрическое соединение устройств тормоза с аккумуляторной батареей поезда.
Электрическое управление тормозами таких поездов может осуществляться из любой головной кабины прицепного вагона.
В электрической схеме тормоза электропоездов серий ЭР1, ЭР2 и ЭР9П имеется дополнительный пятый провод для соединения с сигнализаторами отпуска тормозов 5 усл. № 352.
Кабины машиниста в поездах этих серий расположены только в двух головных вагонах, поэтому II положение тормозных переключателей не используется.
Действие устройств электропневматического тормоза при положениях отпуска, перекрыши и торможения описано ниже.
ЗАРЯДКА, ОТПУСК И ПОЕЗДНОЕ ПОЛОЖЕНИЕ
Зарядка и отпуск (I положение ручки крана машиниста 334Э). Сжатый воздух из главного резервуара через кран машиниста 1 с золотниковым питательным клапаном 2 поступает в тормозную магистраль и уравнительный резервуар 3.
Катушка ПВ вентиля перекрыши 4 обесточена, его якорь находится в нижнем положении, а клапан вентиля разобщает уравнительную камеру крана машиниста и резервуар 3 от главного резервуара.
Воздух из тормозной магистрали через воздухораспределитель 7 усл. № 292-002 поступает в запасный резервуар 5, осуществляя его зарядку. Тормозной цилиндр 6 и рабочая камера электровоздухораспределителя 8 усл. № 305-001 сообщены с атмосферой.
В электрических цепях электропневматического тормоза происходит следующее. Контакты контроллера КМ крана машиниста разомкнуты и ток в поездные провода (тормозной и отпускной) не поступает. Катушки вентилей тормозных ТВ и отпускных ОВ электровоздухораспределителей ЭВР не возбуждены.
Блок-реле БР в головном и хвостовом вагонах обесточены и их контакты БР1 разомкнуты. Сигнальные лампы ЛС2 и ЛСЗ не горят, контакты сигнализаторов отпуска тормозов СОТ разомкнуты.
В кабине головного вагона горит сигнальная лампа ЛС1, свидетельствуя о том, что цепь находится под напряжением, тормозные переключатели ТП включены правильно (I положение в кабине головного и III в кабине хвостового вагона) и цепь обратного провода не имеет разрыва по всему поезду.
Цепь питания сигнальной лампы ЛС1 идет от плюса аккумуляторной батареи через предохранитель, контакты переключателя ТП головной кабины, сигнальную лампу ЛС1, обратный провод, контакты переключателя ТП хвостовой кабины к минусу батареи.
Поездное положение ( IIА положение ручки крана). При перестановке ручки крана машиниста из положения I в IIА контакты в контроллере не замыкаются и в цепях электропневматического тормоза никаких изменений не происходит. Золотниковый питательный клапан 2 восполняет утечки воздуха из магистрали.


На рисунках изображено IIА положение - поездное
ПЕРЕКРЫША С ПИТАНИЕМ И БЕЗ ПИТАНИЯ МАГИСТРАЛИ
Перекрыша с питанием тормозной магистрали (II положение ручки крана). При II положении ручки в контроллере крана машиниста 1 замыкаются два контакта, ток поступает к отпускным вентилям ОВ злектровоздухораспределителей и возбуждает их катушки.
Одновременно в кабине хвостового вагона возбуждается блок-реле БР и замыкает свой контакт БР1.
Как и в положениях I и IIА, продолжает гореть сигнальная лампа ЛС1 в кабине головного вагона, а лампы ЛС2 и ЛСЗ не горят.
Катушки ПВ вентилей перекрыши 4 не возбуждены, поэтому главный резервуар и уравнительный резервуар 3 разобщены. Тормозная магистраль пополняется сжатым воздухом через золотниковый питательный клапан 2.
При II положении ручки крана машиниста ток протекает по таким цепям.
- Первая цепь — от плюса аккумуляторной батареи через предохранитель П, контакты тормозного переключателя ТП головного вагона (I положение), контакты контроллера крана машиниста, отпускной провод по всему поезду, катушки вентилей 08 на всех вагонах, обратный провод, контакты тормозного переключателя ТП хвостового вагона (III положение) на минус аккумуляторной батареи.
- Вторая цепь — от плюса батареи через предохранитель П, контакты переключателя ТП головного вагона, сигнальную лампу ЛС1, обратный провод, контакты переключателя ТП хвостового вагона на минус батареи.
- Третья цепь — от плюса батареи через предохранитель П, контакты переключателя ТП головного вагона, контакты контроллера крана машиниста, отпускной провод, нижние контакты переключателя ТП хвостового вагона, катушку блок-реле БР, средние контакты переключателя ТП на минус батареи.
Перекрыша без питания тормозной магистрали (III положение ручки крана). В электрических цепях тормоза при переводе ручки крана машиниста из II в III положение никаких переключений не происходит.
Главный резервуар, уравнительный резервуар 3 и тормозная магистраль между собой разобщены.


На рисунках - второе положение - перекрыша с питанием тормозной магистрали.
СЛУЖЕБНОЕ И ЭКСТРЕННОЕ ТОРМОЖЕНИЕ
Служебное торможение (IV положение ручки крана). При IV положении ручки крана машиниста 1 в контроллере замыкаются все три контакта. Ток от плюсовой клеммы батареи поступает в провода тормозной и отпускной, в результате чего катушки вентилей ТВ и ОВ на всех вагонах возбуждаются. Электровоздухораспределители 8 срабатывают и цилиндры 6 наполняются воздухом из запасных резервуаров 5. Контакты сигнализаторов СОТ, соединенных с тормозными цилиндрами, замыкают цепь сигнальной лампы ЛСЗ, контролирующей срабатывание тормозов на отпуск.
Лампы ПС1 и ЛС2 в головной кабине также загораются. Первая питается током по цепи, как описано выше. Цепь питания второй лампы идет от плюса батареи через тормозной провод, контакт БР1 блок-реле хвостового вагона, блокировочный провод, лампу ЛС2, обратный провод, переключатель ТП к минусу батареи. Одновременно при прохождении тока по этой цепи возбуждается катушка ПВ вентиля перекрыши 4. Его якорь с клапаном притягивается и сообщает камеру главного резервуара с резервуаром 3 и уравнительной камерой крана машиниста 1. Давление в этой камере будет выше, чем в тормозной магистрали, что исключает разрядку магистрали в атмосферу. Поэтому воздухораспределители 7 срабатывать не будут.
Экстренное торможение (V положение). При V положении ручки крана машиниста воздух из магистрали через широкий канал в золотнике этого крана выходит в атмосферу — происходит быстрое снижение давления в магистрали. В этом случае воздухораспределители 7 хотя и придут в действие, но торможения не произведут, так как раньше их сработают электровоздухораспределители 8.
Электровоздухораспределители при IV и V положениях ручки крана действуют одинаково, но конечное давление в тормозных цилиндрах при V положении будет несколько меньше.
Если ток в вентиль ПВ перестанет поступать (например, при обрыве проводов), лампа ЛС2 гаснет, сигнализируя о повреждении электропневматического тормоза. В этом случае при IV и V положениях ручки крана машиниста срабатывают на торможение воздухораспределители 7, соединяющиеся через переключательные клапаны с тормозными цилиндрами 6.


На рисунках - служебное торможение
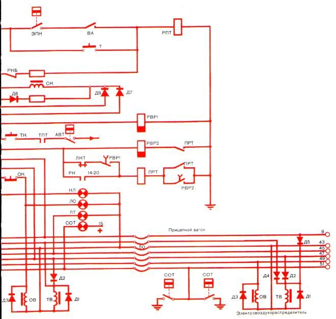
ЭЛЕКТРОПНЕВМАТИЧЕСКИЙ ТОРМОЗ ЭЛЕКТРОПОЕЗДА ЭР22
Электропоезда серии ЭР22 оборудуются рекуперативно-реостатными тормозами, поэтому схема электропневматического тормоза на этих поездах значительно отличается от схемы, рассмотренной выше для электропоездов серий С и ЭР.
В электрических цепях тормоза используются следующие номера проводов: 8 — поездной для электропневматического торможения только прицепных вагонов; 15 — плюс батареи (110 в); 22, 22В, 22Д, 22Ж — плюс цепи управления; 30 — минус батареи; 40, 40Я — для электрического торможения; 41 — для автоматического электрического торможения; 42 — провод возврата контроллера; 43, 43А — обратный провод; 45 — контрольный провод; 47 — тормозной провод; 49 — отпускной провод; 50 — провод замещающего торможения (секционный); 51 — провод сигнализации отпуска тормозов; 81А, 81Е — плюс батареи (50 в).
При поездном положении электропневматического тормоза ток протекает от провода 75, через выключатель управления ВУ, предохранитель П, контакты кнопки Возврат БВ и РП, провод 22В, тормозной переключатель ТП, провод 22Д, контрольную лампу КЛ, провод 43 и в хвостовой кабине поезда через переключатель ТП к проводу 30. Лампа КП загорается, свидетельствуя об исправности провода 43 по всему поезду. Через диод Д8 возбуждается катушка СК клапана автостопа. При обрыве провода 43 катушка СК обесточивается и клапан автостопа ЭПК срабатывает. В этом случае через контакты РПТ от провода 81А к проводам 47 и 49 подается ток напряжением 50 в, вентили отпускной ОВ и тормозной ПВ возбуждаются и происходит электропневматическое торможение. Сигнальные лампы отпуска ЛО и торможения ЛТ, подключенные к проводу 45, загораются.
Управление электропневматическими тормозами осуществляется контроллером машиниста, имеющим пять тормозных положений 1—5. При положениях 1, 2 и 3 контроллера ток подается по проводу 49 происходит перекрыша. В положении 4 ток проходит по проводу 5 и через диоды Д5 поступает к вентилям ТВ всех прицепных вагонов — происходит электропневматическое торможение. На моторных вагонах в это время осуществляется рекуперативно-реостатное торможение. При положении 5 рукоятки контроллера ток протекает по проводам 41 и 49, поэтому срабатывают электропневматические тормоза на всех вагонах электропоезда.
Автоматический выключатель торможения АВТ срабатывает при давлении воздуха в тормозных цилиндрах моторных вагонов более 1,5 к Г/см и отключает электрический тормоз.


Замещение электрического торможения электропневматическим осуществляется при замыкании контакта РК14-20 реостатного контроллера. Тогда ток от провода 41 через катушку промежуточного репе торможения ПРТ и замкнутую блокировку РВР1 реле времени идет к проводу 30.
При случайном срыве электрического торможения на каком-либо вагоне замыкается блокировка ЛКТ линейного контактора и ток от провода 41 черед контакты PВP1 реле выдержки времени поступает в катушку реле ПРТ.
Сигнализаторы отпуска тормозов СОТ включены в провод 51. При отпуске тормозов лампа СОТ должна погаснуть.
В начало страницы
Назад <<< >>>Вперед
|

Анимация (мультик) по схемам прямодействующего, нпрямодействующего
тормоза и ЭПТ

Отличное пособие по новому воздухораспределителю пассажирских вагонов № 242.
С анимацией и дикторским сопровождением





|