|
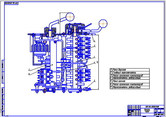
ТЕМА 5.7 УСТРОЙСТВО И РЕМОНТ КОНТРОЛЛЕРА МАШИНИСТА КМ-84 ЭЛЕКТРОВОЗОВ ПЕРЕМЕННОГО ТОКА ВЛ801 Краткая характеристика контроллера машиниста КМ - 84 Контроллер машиниста предназначен для управления режимами работы электровоза. При его помощи осуществляются переключения в цепях управления. 1.2 Устройство Контроллер машиниста КМ-84 представляет собой многопозиционный аппарат, установленный в кабине электровоза. Рисунок 1 – Контроллер КМ 84 в кабине электровоза Контроллер состоит из следующих основных узлов (см. рис.2): кулачковых валов, кулачковых контакторов, механической блокировки, датчика торможения, блока задатчика тормозной силы. Все эти узлы установлены между двумя рамами 5 и 7, соединенными рейками 6 и 8.Группа кулачковых контакторов 4 и соответствующий ей кулачковый вал составляют переключатель: главный 2, реверсивный 3 и тормозной 1. Кулачковые валы набираются из изоляционных прессованных шайб . Рисунок 2 – Контроллер машиниста КМ-84 Для исключения ошибочных действий машиниста все переключатели сблокированы между собой при помощи механической блокировки, которая состоит из дисков, установленных на каждом валу, рычагов и пружин.
Фрагмент работы с оформлением в формате PDF можно посмотреть ЗДЕСЬВ комплект входит чертеж контроллера иашиниста КМ-84 на формате А1, выполненный в программе Компас |











