|

ТЕМА 4.7 УСТРОЙСТВО И РЕМОНТ ЭЛЕКТРОМАГНИТНЫХ КОНТАТОРОВ ТИПА МК-310Б И МК-15-01
1 КРАТКИЕ СВЕДЕНИЯ ОБ ЭЛЕКТРОМАГНИТНЫХ КОНТАКТОРАХ
1.1 НАЗНАЧЕНИЕ
Электромагнитные контакторы на электровозах применяют для включения и отключения вспомогательных машин и электрических печей, а также для автоматического отключения пусковых резисторов в цепях вспомогательных машин после их разгона. Для включения они не требуют сжатого воздуха, что важно для пуска мотор-компрессоров. Электромагнитные контакторы срабатывают под действием электромагнитных сил, которые по значению значительно меньше сил, возникающих при электропневматическом приводе. Поэтому такие контакторы используют только при небольших токах.
На отечественных электровозах в цепях вспомогательных машин применяют электромагнитные контакторы МК- 310Б, а в цепях электрических печей — контакторы МК- 15-01.
1.2 КОНТАКТОР МК-310Б
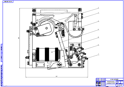
Этот контактор состоит из привода, контактной и дугогасительной систем.
Под действием отключающей пружины 8 (рис. 1) якорь 9 с изоляционным рычагом 7 и механизмом подвижного контакта, состоящим из кронштейна 6, держателя контакта 3, притирающей пружины 5 и подвижного контакта 2, находятся в крайнем правом положении, как указано на схеме рис. 1, б. Подвижной и неподвижный контакты 2 разомкнуты. Если подать напряжение цепи управления 50 В на включающую катушку 11, то под действием тока в сердечнике катушки и ярме магнитопровода 10 наводится магнитный поток, который притягивает якорь 9. Якорь поворачивается и, сжимая пружину 8, вначале подводит подвижной контакт к неподвижному, а затем, сжимая притирающую пружину 5 за счет поворота держателя контакта, притирает и прижимает контакты в замкнутом состоянии. Неподвижный контакт укреплен на кронштейне 13, а тот в свою очередь на изоляционной планке 12. В вырезе кронштейна 13 находится дугогасительная катушка 14 с сердечником 15. Для создания необходимого магнитного потока в зоне горения дуги при небольшом токе катушка 14 имеет большое число витков.

Рисунок 1 – Электромагнитный контактор МК-310Б
а) общий вид; б) схема работы
Ток силовой цепи при включенном контакторе проходит через дугогасительную катушку 14, кронштейн 13, контакты 2 и гибкий шунт 4, шунтирующий все подвижные шарнирные соединения, к проводу, идущему к вспомогательной машине. Выключение катушки 11 вызывает отход якоря от магнитопровода под действием пружины 8 и размыкание контактов. Образующаяся между контактами дуга выдувается вверх в дугогасительную камеру 17 под действием магнитного поля катушки 14, а также восходящего потока воздуха, образующегося вследствие нагревания электрической дугой. Магнитный поток дугогасительной катушки подводится в зону гашения дуги через стальные полюсы 1, укрепленные на асбестоцементных стенках камеры. Эти полюсы плотно прилегают к сердечнику 1,5 катушки с обеих сторон.
Сама дугогасительная камера, кроме двух стенок с полюсами, имеет две асбестоцементные продольные перегородки, устанавливаемые внутри боковых планок.
В процессе гашения дуги она переходит с контактов на дугогасительные рога, растягивается, охлаждается о стенки и перегородки камеры и гаснет. Один из рогов — 16 — укреплен в камере, а другим служит кронштейн 13 неподвижного контакта. На ряде контакторов (МК-310Б-42) имеются блок-контакты, расположенные правее выключающей пружины 8.
Фрагмент работы с оформлением в формате PDF можно посмотреть ЗДЕСЬ
В комплект входит чертеж контактора МК-310Б на формате А1 в программе "Компас" (формат CDW)

КАК СКАЧАТЬ РАБОТУ ВСЮ ЦЕЛИКОМ ?
Вернуться к списку работ
|