|
ТЕМА 4.4 "УСТРОЙСТВО И РЕМОНТ БЫСТРОДЕЙСТВУЮЩЕГО КОНТАКТОРА БК-78Т (и БК-2Б)"1 Назначение, устройство и работа быстродействующего контактора БК-78Т (БК-2Б)1.1 Назначение БК-78ТОсобенностью защиты силовых цепей электровозов и электропоездов с рекуперативным торможением является наличие дополнительного аппарата защиты. Это вызвано тем, что быстродействующий выключатель БВП-5, как аппарат поляризованного действия, защищает силовую цепь от токов короткого замыкания (к.з.) при их протекании только в одном направлении. Данное обстоятельство привело к необходимости устанавливать быстродействующие контакторы (БК) — аппараты, которые защищают силовую цепь от токов к.з. и круговых огней в режиме рекуперативного торможения.
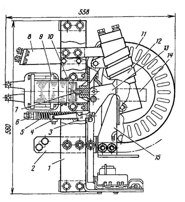
Рисунок 1 – Контакторы БК-78Т на электровозе Сейчас на электровозах постоянного тока серии ВЛ применяют быстродействующие контакторы марки БК-78Т. На электровозах ВЛ8 и ВЛ10 ранних выпусков для этой цели предназначается быстродействующий контактор БК-2Б. Общим для аппаратов зашиты всех типов является включение силовых контактов аппарата в схему рекуперации со стороны «земли» так, чтобы через контакты протекал как ток якорей, так и обмоток возбуждения. Поэтому при срабатывании выключателя разрывается силовая цепь в обоих контурах. 1.2 Устройство быстродействующего контактора БК-78ТУзлы контактора БК-78Т смонтированы на двух текстолитовых планках 1 (рис.2) На верхнем латунном кронштейне 9 укреплены шихтованный магнитопровод включающего механизма, ярмо, отключающая катушка, кронштейн, несущий гибкий провод, подвижной контакт 13 и магнитопровод дутья с дугогасительной катушкой 12. Рисунок 2 – Устройство контактора БК-78Т Подвижной контакт 13 тягой 7 соединен с якорем 10. Замыкание подвижного контакта 13 с неподвижным 15 обеспечивается контактной пружиной 5, натянутой между нижним концом контакта 13 и скобой 6. Неподвижный контакт установлен на рифленой поверхности вывода 2 Верхний вывод 8, к которому присоединен наконечник катушки 12, укреплен на текстолитовой планке. В стенки лабиринтно-щелевой дугогасительной камеры 11 из дугогасительного материала КМК-218 впрессованы шихтованные полюсы 14. В камере закреплен рог. Вспомогательные контакты и электромагнит укреплены на кронштейне и через индивидуальные изоляционные рычаги связаны с подвижным контактом 13 и рычагом защелки 4, которые шарнирно закреплены на планке. Рисунок 3 – Контактор БК-78Т в разрезе Рисунок 4 – Дугогасительная камера БК-78Т Фрагмент работы с оформлением в формате PDF можно посмотреть ЗДЕСЬВ комплект входит чертеж быстродействующего контактора БК-78Т на формате А1 в программе "Компас" (формат CDW) |












