|

ТЕМА 4.3 УСТРОЙСТВО И РЕМОНТ БЫСТРОДЕЙСТВУЮЩЕГО ВЫКЛЮЧАТЕЛЯ БВЗ-2
1.1 НАЗНАЧЕНИЕ БВЗ-2
Быстродействующий выключатель предназначен для защиты вспомогательной цепи от токов короткого замыкания и перегрузок. На электровозах ВЛ10 первых выпусков применялись для этой цели аппапаты КВЦ (контактор вспомогательных цепей) и БВЭ-ЦНИИ. На электровозах ВЛ10 с № 459 (ТЭВЗ) и с № 1011 (НЭВЗ) устанавливают быстродействующий выключатель защелкивающего типа БВЗ-2. Он выполняет также функции дифференциальной защиты, в связи с чем отпала надобность в установке дифференциального реле в цепи вспомогательных машин.

1.2 КОНСТРУКЦИЯ И ПРИНЦИП ДЕЙСТВИЯ БВЗ-2
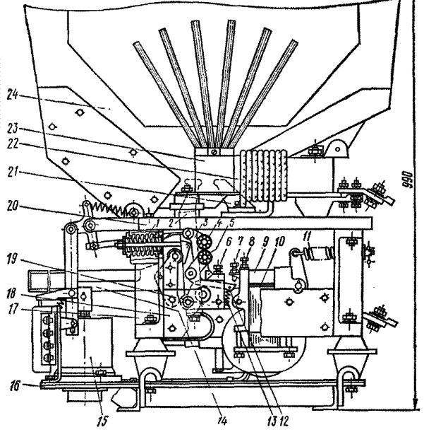
Выключатель БВЗ-2 (рис. 1) состоит из следующих основных узлов: рамы, механизма защелки, выключающего электромагнита, дугогасительной системы, электромагнитного привода и механизма блокировки.
Рама состоит из двух алюминиевых половин 17 и двух текстолитовых боковин 18, скрепленных между собой болтами и установленных на основании 16 с помощью пластмассовых изоляторов. Между рамами расположены механизм защелки и выключающий электромагнит. На основании размещены механизм блокировки и электромагнитный привод.
Сверху на раме закреплена гетинаксовая плита 20, на которой укреплены неподвижный контакт 21 и на пластмассовых изоляторах дугогасительная система, состоящая из шихтованного магнитопровода 23, катушки 22 и дугогасительной камеры 24.
Механизм защелки выполнен из литого стального корпуса 19 (см. рис. 2), двух защелочных (качающих) рычагов 3 и 12, на концах которых укреплены ролики (шарикоподшипники) 4 и 5. Рычаги 3 и 12 имеют шарниры соответственно О4 и О3. Защелочный рычаг через шарнир О5 связан с рычагом подвижного контакта 2, на который передается усилие отключающих пружин 1.

Рис.1 Устройство БВЗ-2
Расположение осей защелочных рычагов O1 и О2 выбрано таким образом, чтобы обеспечивалось силовое контактирование роликов. Поворот рычага подвижного контакта влево ограничивается роликом рычага 12, Пружиной 13 рычаг 12 прижимается к регулировочному винту 6, посредством которого и устанавливается включенное положение защелки.
В замкнутой защелке на ось ролика О1 передается сила Р, созданная отключающими пружинами. Штриховыми линиями показано разложение силы Р. Составляющая силы Q создает фиксирующий момент M = Ql, прижимающий рычаг к регулировочному винту, что обеспечивает устойчивое положение защелки. Этот момент регулируют винтом 6 при изменении значений плеча l и силы Q.

Рис.2 Принцип действия БВЗ-2
Для расцепления защелки надо повернуть рычаг 12 по часовой стрелке, приложив к нему момент, превышающий по значению фиксирующий момент. По мере поворота рычага значение фиксирующего момента снижается (уменьшается плечо) до нуля и защелка расцепляется. Под действием отключающих пружин контакты выключателя размыкаются. Момент, размыкающий защелку, приложенный к двуплечему рычагу, создается выключающим электромагнитом.
Фиксирующий момент по значению невелик. Он определяется необходимой виброустойчивостью защелки, а поскольку составляющая сила Q имеет относительно большее значение (значительно превышает силу Р), то плечо l мало. Небольшое значение момента М и плеча l обусловливает ценные свойства защелки: для выключения ее к рычагу 12 надо приложить небольшое усилие и повернуть его на малый угол — это и обеспечивает быстродействие выключателя.
Выключающий электромагнит состоит из ярма 10 и якоря 9, набранных из листов электротехнической стали, и регулировочной пружины 11, усилие которой действует на якорь. На ярмо надеты три катушки: две силовые А и Б и одна оперативного отключения В.
Силовые катушки намотаны из медной шины и включаются последовательно в цепь защищаемой цепи. Катушка А включается со стороны токоприемника до нагрузки (вспомогательной машины), катушка Б — после нагрузки со стороны земли. Направление тока в них выбирается так, чтобы создаваемые им в магнитопроводе магнитные потоки были направлены встречно.
Изменением натяжения регулировочной пружины выключатель регулируют так, чтобы якорь притягивался при результирующей магнитодвижущей силе в ярме (разности магнитодвижущих сил силовых катушек) 600 А. В момент притяжения якоря к ярму боек 7 якоря ударяет, но концу рычага 12, поворачивая его по часовой стрелке. Защелка размыкается, и выключатель отключается.
Фрагмент работы с оформлением в формате PDF можно посмотреть ЗДЕСЬ
В комплект входит чертеж БВЗ-2 на формате А1 в программе "Компас" (формат CDW)

КАК СКАЧАТЬ РАБОТУ ВСЮ ЦЕЛИКОМ ?
Вернуться к списку работ
|