|

ТЕМА № 4.17 УСТРОЙСТВО И РЕМОНТ
ПАНЕЛЕЙ УПРАВЛЕНИЯ ПУ-014 И ПУ-037
1 НАЗНАЧЕНИЕ, УСТРОЙСТВО И РАБОТА ПАНЕЛЕЙ УПРАВЛЕНИЯ
1.1 УСТРОЙСТВО ПУ-014
На электровозах постоянного тока ВЛ-10 для питания цепей управления применяются аккумуляторная батарея и генераторы управления.
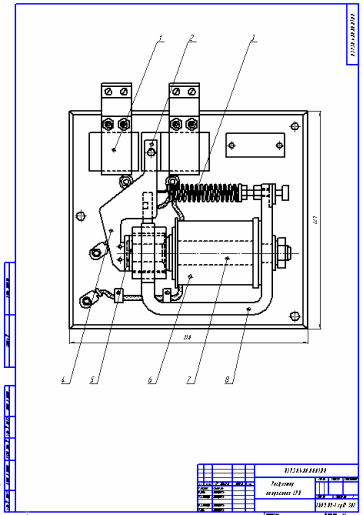
Для обеспечения нормальной совместной работы генераторов управления с аккумуляторной батареей и надежного питания потребителей низковольтных цепей управления, освещения и сигнализации служит панель управления (распределительный щит). Панель имеет два регулятора напряжения СРН-7У-3 (поз.1 рис.1); они обеспечивают постоянство напряжения на генераторах управления; реле обратного тока Р-15Е (поз.2), которое служит для автоматического отключения аккумуляторной батареи от генераторов управления, когда напряжение на нем становится ниже напряжения аккумуляторной батареи, и подключения батареи к генераторам, когда напряжение становится на них больше. Также на панели расположены : амперметр (поз.11) , подключенный к измерительному шунту и измеряющий ток аккумуляторной батареи; вольтметр (поз.3) с переключателем (поз.4), позволяющим поочередно измерять напряжение отдельно на каждом генераторе управления и на аккумуляторной батарее; вольтметр (поз.10) для измерения напряжения в цепи управления; рубильник (поз.5) для отключения аккумуляторной батареи; рубильник (поз. 9) для переключения генераторов управления; выключатель лампы освещения (поз.6); низковольтные плавкие предохранители (поз.7, 8). Все это оборудование смонтировано на лицевой стороне гетинаксовой панели. На задней ее стороне размещены резисторы и выполнен монтаж схемы панели управления.
Двигатели вентиляторов электровоза могут включаться под напряжение контактной сети параллельно и работать на высокой скорости, или последовательно, когда напряжение на каждом двигателе снижается примерно в два раза и соответственно уменьшается частота их вращения. А на одном валу с мотор-вентилятором находится генератор управления.

Рисунок 1 - Панель управления ПУ-014
Чтобы поддержать напряжение в цепи управления и обеспечить заряд аккумуляторной батареи при низкой частоте вращения вентиляторов, якоря генераторов соединяют последовательно. При верхнем положении рубильника для переключения генераторов в случае работы двигателей вентиляторов на высокой частоте вращения цепи управления и аккумуляторную батарею питает генератор Г1. Генератор Г2 при этом работает без нагрузки. Если двигатели вентиляторов будут переключены на низкую скорость, то генераторы будут соединены последовательно. В случае отказа в работе генератора управления Г1 переключатель генераторов переводят в нижнее положение и нагрузку переводят на генератор управления Г2. При этом двигатели вентиляторов должны работать только на высокой скорости вращения.
1.2 УСТРОЙСТВО И ПРИНЦИП РАБОТЫ СРН
Для каждого генератора управления установлен регулятор напряжения, который обеспечивает постоянство напряжения на генераторе управления при колебаниях его частоты вращения.
Регулятор напряжения при напряжении на генераторе управления ниже 50 В своими контактами выводит из цепи обмотки возбуждения генератора резистор. В связи с уменьшением сопротивления в цепи обмотки возбуждения генератора в ней пойдет большой ток, который вызовет увеличение напряжения на генераторе управления.

Рисунок 2 - Регулятор напряжения СРН-7У-3 Общий вид и схема работы
Когда напряжение достигнет 50 В, якорь регулятора повернется, и в цепь опять включится резистор.
В том случае, когда напряжение будет больше 52 В, регулятор напряжения своими контактами шунтирует обмотку возбуждения генератора управления. После этого напряжение снижается, и подвижный контакт возвращается в среднее положение. Регулятор напряжения поддерживает среднее напряжение в цепи от 48 до 52 В.

На фото - панель управления ПУ-031. Вместио СРН - бесконтактные регуляторы напряжения БРН
Фрагмент работы с оформлением в формате PDF можно посмотреть ЗДЕСЬ
В комплект входит чертеж панели управления ПУ-037 на формате А2 и чертеж СРН на формате А2 в программе "Компас" (формат CDW)
 
КАК СКАЧАТЬ РАБОТУ ВСЮ ЦЕЛИКОМ ?
Вернуться к списку работ
|