|

ТЕМА 4.14 УСТРОЙСТВО И РЕМОНТ РЕЛЕ ЭЛЕКТРОВОЗА ВЛ10
1 Краткая характеристика реле электровозов ВЛ10
1.1. Общие сведения о реле
Развитие техники немыслимо без широкого внедрения автоматических устройств, осуществляющих управление, контроль и защиту различного рода машин и агрегатов. В современных машинах многие процессы протекают очень быстро, и человек не успевает управлять ими без автоматических устройств. Эти устройства позволяют освободить людей от напряженного труда, уменьшить численность обслуживающего персонала.
Одним из широко распространенных средств автоматики является реле, представляющее собой прибор, который под воздействием какого-либо фактора (электрического, теплового, механического и т. д.), достигающего определенной величины, осуществляет скачкообразное изменение процесса, протекающего в управляемой им системе. ( От французского слова relayer — сменять, заменять)
Рассмотрим назначение и устройство реле, примененных на электровозах ВЛ10.
1.2 Реле перегрузки
Для защиты электрических машин и аппаратуры от больших токов, которые могут привести к перегреву и повреждению оборудования, применяют реле перегрузки (реле максимального тока). Токовая катушка реле включается последовательно в цепь электрической машины. При протекании тока по силовой цепи выше уставки, якорь притягивается к сердечнику, переключая блок-контакты. Как правило, большинство реле имеют механический указатель срабатывания (флажок).
На электровозах серий ВЛ10, ВЛ11 в силовой цепи тяговых двигателей применены реле перегрузки РТ-502 (рис. 1), имеющие силовую катушку из шинной меди.

Рисунок 1 – Реле перегрузки РТ-502
1- изоляционная панель; 2 – токовая катушка; 3 – магнитопровод; 4 – якорь;
5 – указатель срабатывания; 6,7,8 – регулировочные шпильки;
9 – блок-контакты; 10 - пружина
Якорь 4 реле (рис. 1) при срабатывании переключает блок-контакты 9, что приводит к подаче питания на сигнальные лампы и отключению режима ослабления поля. Указатель срабатывания (блинкер) 5 позволяет определить какое именно реле сработало в силовой цепи.
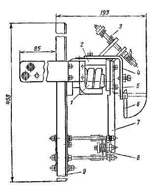
На электровозах ВЛ-10 до № 1597 устанавливали реле перегрузки РТ-406В (рис.2) , а начиная с № 1587 вместо него устанавливают реле перегрузки РТ-502.

Рисунок 2 – Реле перегрузки РТ-406В
1 – токовая катушка; 2 – ярмо магнитопровода; 3 – отключающая пружина; 4 – скоба; 5 – якорь; 6 – Указатель срабатывания (флажок);
7 – изолированный рычаг; 8 – блок-контакты; 9 – текстолитовая панель
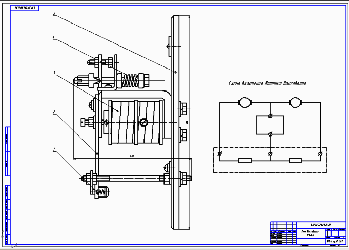
В цепях вспомогательных машин установлены унифицированные по конструкции (но различные по параметрам катушек) реле: перегрузки преобразователя РТ-500 (рис. 3,а), которое разрывает цепь катушки дифференциального реле, что приводит к отключению БВ, а также токовое реле РТ-067 (рис. 3,6) для сигнализации о наличии тока в цепи мотор-вентилятора.

Рисунок 3 – Реле перегрузки РТ-500(слева) и токовое реле РТ-067
1 – изоляционная панель; 2 – катушка; 3 – магнитопровод; 4 – якорь; 5,6 – регулировочные шпильки; 7 – пружина; 8 – блок-контакты
1.4 Реле напряжения
Уровень напряжения в контактной сети, а следовательно, и на токоприемнике электровоза не остается номинальным, а изменяется в широких пределах. Поэтому электрическое оборудование электровоза рассчитывают на работу при максимальном напряжении до 4000 В. В режиме рекуперативного торможения напряжение на токоприемнике может превысить эту величину и создать опасность пробоя изоляции или возникновения кругового огня по коллекторам тяговых двигателей или вспомогательных машин. Для устранения таких режимов на электровозах устанавливают реле повышенного напряжения. Реле срабатывает и подает световой сигнал машинисту о повышенном напряжении.
Если электровоз работал в режиме тяги, то реле отключает ослабление возбуждения и переводит тяговые двигатели на полное возбуждение. В режиме рекуперации реле уменьшает ток независимого возбуждения генератора преобразователя для снижения э. д. с. тяговых двигателей, а если это не помогает, то отключает быстродействующий выключатель БВП-5 с выдержкой времени.
Кратковременное понижение напряжения на токоприемнике не опасно для оборудования электровоза. Однако за ним может последовать резкое увеличение напряжения, которое представляет опасность. Большое понижение напряжения связано, например, с отключением ближайшей от электровоза тяговой подстанции, когда энергию приходится получать от далеко расположенных соседних подстанций с большим падением напряжения в проводах контактной сети. Бросок напряжения в момент включения отключенной подстанции может вызвать опасный для оборудования электровоза бросок тока. Для предупреждения машиниста о понижении напряжения на электровозах устанавливают реле низкого напряжения, которые подают световой сигнал машинисту с тем, чтобы он принял необходимые меры (отключил тяговые двигатели или ввел в их цепь пусковой резистор).
Реле повышенного напряжения предназначено для подачи светового сигнала при повышении напряжения свыше 4000 В. При параллельном соединении тяговых двигателей в режиме тяги оно служит для отключения всех ступеней ослабления возбуждения, а в рекуперативном режиме — для уменьшения независимого возбуждения генератора преобразователя и отключения БВП-5 с выдержкой времени.
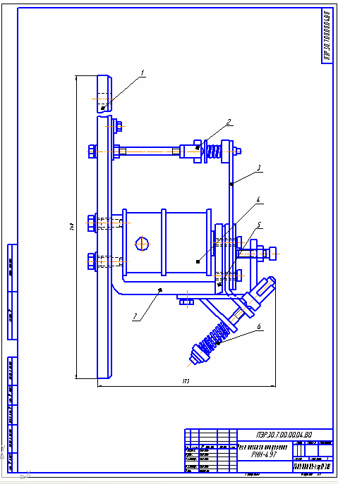
На электровозах ВЛ10 до № 1587 постройки ТЭВЗ устанавливали реле повышенного напряжения РПН-018, а, начиная с № 1587, взамен него устанавливают реле новой конструкции РПН-496, максимально унифицированное с конструкциями реле: низкого напряжения РНН-497, рекуперации РР-498, реле перегрузки РТ-500 иРТ-502 и реле времени РЭВ-294.

Рисунок 6 – Реле повышенного напряжения РПН – 018
1 – пружина; 2 – якорь; 3 – катушка; 4 0 изоляционный рычаг; 5,6 - контакты
Фрагмент работы с оформлением в формате PDF можно посмотреть ЗДЕСЬ
В комплект входят чертежи нескольких реле на формате А1 в программе "Компас" (формат CDW)
 

 
КАК СКАЧАТЬ РАБОТУ ВСЮ ЦЕЛИКОМ ?
Вернуться к списку работ
|