АВТОБЛОКИРОВКА И ПЕРЕЕЗДНАЯ СИГНАЛИЗАЦИЯ
 |
Виноградова В.Ю.
Автоблокировка и переездная сигнализация: Учебное иллюстрированное пособие. — М.: Маршрут, 2003. — 20 с.
В альбоме рассмотрены принципы работы систем автоблокировки с импульсным кодовым питанием, систем ЦАБ-АЛСО и АБТ с тональными рельсовыми цепями, а также принципы построения и работы автоматической переездной сигнализации.
Альбом предназначен для студентов вузов, техникумов, колледжей и учащихся образовательных учреждений железнодорожного транспорта, осуществляющих начальную профессиональную подготовку.
|
|
Содержание
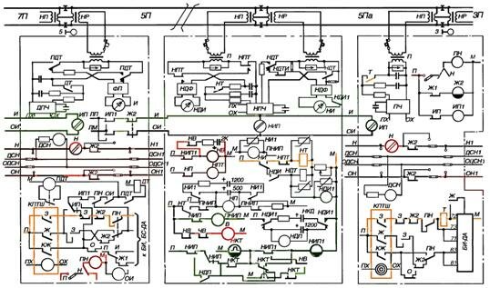
Двухпутная автоблокировка постоянного тока при автономной тяге
Для участков с односторонним движением поездов
Для участков с двусторонним движением поездов
Двухпутная числовая автоблокировка переменного тока
Для участков с односторонним движением поездов
Для участков с двусторонним движением поездов и трехзначной сигнализацией
Для участков с двусторонним движением поездов и четырехзначной сигнализацией
Однопутная автоблокировка постоянного тока
Однопутная автоблокировка переменного тока
Схема управления автоматической переездной сигнализацией при автоблокировке постоянного тока
Схема управления автоматической сигнализацией при двухпутной автоблокировке переменного тока
Автоблокировка ЦАБ-АЛСО
Автоблокировка с тональными рельсовыми цепями без изолирующих стыков, проходными светофорами и децентрализованным размещением аппаратуры АБТ
АБТ; схема рельсовых цепей и схема кодирования в системе 14
Автоблокировка с тональными рельсовыми цепями АБТЦ
Микроэлектронная система автоблокировки АБ-Е1
Структурная схема блоков приемосдатчика системы АБ-Е1, БПП-НКС, БПП-СПИ
Структурная схема микропроцессорного путевого приемника МПП системы АБ-Е1

Возможно, вас заинтересуют книги:
-
Сороко В. И., Разумовский Б. А. Аппаратура железнодорожной автоматики и телемеханики: Справочник. В 2-х т. 2-е изд., перераб. и доп. — М.: Транспорт, 1981, 399 с.
-
Казаков А.А., Бубнов В.Д., Казаков Е.А. Автоматизированные системы интервального регулирования движения поездов: Учеб. для техникумов ж.-д. трансп. М.: Транспорт, 1995. 320 с.
-
Казаков А. А., Казаков Е. А. Автоблокировка, локомотивная сигнализация и автостопы: Учебник для техникумов ж.-д. трансп. — 7-е изд., перераб. и доп. — М.: Транспорт, 1980. — 360 с.
-
Все книги по автоматике и телемеханике
Скачать книгу бесплатно с любого из файлохранилищ:
uploading ==letitbit == depositfiles ==turbobit==i-files
|
В начало страницы
|