ЧЕРТЕЖИ ДЛЯ "ДИПЛОМОК" В ПРОГРАММЕ КОМПАС
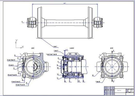
(ch_10.5) Колесная пара вагона с буксами
По просьбам наших читателей мы вывешиваем на сайте чертежи не вместе с дипломными работами, а отдельно, правда, скачивать их надо всё равно одним архивом.
Для того, чтобы просмотреть чертеж и вставить в него свои личные данные, Вам понадобится программа
Компас-portable V13. Возможно, чертеж откроется и в другой версии Компаса - но мы специально проверили, что все чертежи нормально открываются именно в этой версии. Эта версия еще и потому хороша, что её не надо устанавливать на компьютер - она запускается без установки из папки Bin - файл KOMPAS.exe.
Скачать эту программу можно ЗДЕСЬ. Некоторые браузеры (или антивирусники) выдают предупреждение "Файл такого типа может нанести вред компьютеру" Не волнуйтесь - тысячу раз проверено, никакого вреда.
Примечание: Размещенные на сайте чертежи, как правило выполнены студентами, они предназначены для графической части выпускной работы, но не годятся для использования на производстве.
Предыдущий чертеж <<<< >>>>> Следующий чертеж

Посмотреть дипломную работу на эту тему
|