Часто при выполнении дипломной или курсовой работы нужны рисунки, отсканированные с учебника. Когда под рукой сканер - no problem, но сканера порой нет. Предлагаем скачать качественно отсканированные чертежи узлов локомотивов и вагонов.
|
Электрические аппараты электровоза ВЛ-10
|
|
|
|
|
|
Быстродействующий выключатель БВП-5
|
Дугогасительная камера БВП-5
|
Быстродействующий выключатель
БВЗ-2
|
|
|
|
|
|
Дугогасительная камера БВЗ-2
|
Быстродействующий выклчатекль БВЗ-ЦНИИ
|
Контактор БК-2Б
|
|
|
|
|
|
Быстродействующий контактор
БК-78Т
|
Индуктивный шунт ИШ-2К
|
Электромагнитный контактор
МК-15_01
|
|
|
|
|
|
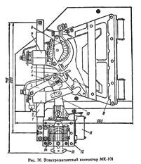
Электромагнитный контактор МК-101
|
Электромагнитный контактор МК-310Б
|
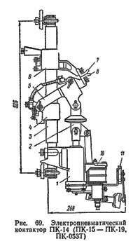
Электропневматический контактор ПК-14
|
|
|
|
|
|
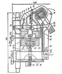
Электропневматический контактор
ПК-21
|
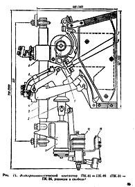
Электропневматический контактор
ПК -41
|
Токоприемник П-5
|
 |
|
|
|
Отключатель двигателей ОД-8а
|
Отключатель двигателей ОД-8Б2
|
Переключатель вентиляторов ПШ-5Г
|
|
|
|
|
|
Групповой переключатель ПКГ-6
|
Ящик резисторов КФ
|
Тормозной переключатель ТК-8Б
|
|
|
|
|
|
Крышевой разъединитель
|
Схема действия БВЗ-2
|
Вилитовый разрядник РМВУ-3,3
|
|
Скачать все 24 картинки одним архивом с Depositfiles
|