КРАН МАШИНИСТА № 130
Подготовка к работе
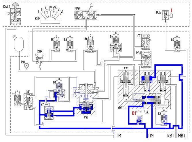
Включение крана машиниста производится с пульта управления постановкой ключа ВЦУ в I положение (схема 1).

Схема 1 (Все схемы можно посмотреть покрупнее, если кликнуть по картинке для её увеличения)
Подается напряжение на В1. Сжатый воздух из питательной магистрали через электропневматический вентиль попадает в полость А распределительного поршня перемещает его сообщая питательную магистраль с полостями над клапанами УБТ (см. схему 2). Под действием сжатого воздуха клапана открываются и сообщают тормозную магистраль ТМ с реле давления РД, питательную магистраль ПМ с редуктором РЕД и кран вспомогательного тормоза КВТ с магистралью вспомогательного тормоза МВТ. Перемещаясь клапан на тормозной магистрали УБТ переключает контакты микровыключателя и снимает напряжение с вентиля В1. Кран подготовлен к работе.

Схема 2
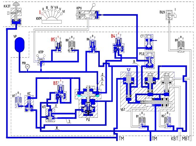
I положение - отпуск и зарядка (схема 3).
В I положении рукоятки контроллера напряжение подается на электропневматические вентили ВЗ, В4, В5. Сжатый воздух из питательной магистрали ПМ через устройство блокировки тормозов УБТ по каналу В поступает к редуктору РЕД и далее через открытый клапан вентиля В4, по каналу Д в управляющую полость реле давления РД. Управляющая полость реле давления С через отверстие Б диаметром 1,8мм сообщена с уравнительным резервуаром УР.
Одновременно из питательной магистрали сжатый воздух поступает к питательному клапану КП по каналу Ж и реле давления РД по каналу 3. При подаче напряжения на ВЗ сжатый воздух из ПМ поступает в полость Л к манжетам на штоке питательного клапана и открывает его, сообщая ПМ с реле давления проходным сечением соответствующим отверстию диаметром 25мм. Одновременно сжатый воздух поступает в полость С реле давления. В реле давления под действием сжатого воздуха ПМ прогибается диафрагма, открывая питательный клапан, сообщающий большим сечением питательную магистраль ПМ с тормозной магистралью ТМ через устройство блокировки тормозов УБТ. Ручку контроллера в I положении необходимо выдерживать по показанию манометра в уравнительном резервуаре.

Схема 3
II положение - поездное (схема 4)
Во II положении рукоятки контроллера подается напряжение на вентили В4 и В5. Возможны три случая работы крана машиниста во II положении:
- поддержание в магистрали поездного давления, на которое отрегулирован редуктор,
- автоматическая ликвидация сверхзарядки магистрали при перемещении рукоятки контроллера из I положения во II положение
- и отпуск II положением рукоятки контроллера без постановки в I.

Схема 4
Поддержание в магистрали поездного давления
Под действием пружины редуктора диафрагма прогибается вниз и открывает питательный клапан. Воздух из питательной магистрали через открытый клапан устройства блокировки тормозов по каналу В поступает к питательному клапану редуктора и далее через клапан электропневматического вентиля В4по каналу Д в управляющую полость реле давления С и уравнительный резервуар.
Установившееся давление в уравнительном резервуаре, а следовательно и в магистрали будет автоматически поддерживаться редуктором в пределах его чувствительности (около 0,1 кгс/см2 ).
Автоматическая ликвидация сверхзарядки магистрали
После перевода рукоятки контроллера из I положения во II давление в ТМ и уравнительном резервуаре будет выше зарядного, на которое отрегулирован редуктор РЕД. Переход от завышенного давления до зарядного осуществляется автоматически. Управляющая полость реле давления С связана с полостью над диафрагмой стабилизатора СТ и далее дроссельным отверстием Н - с атмосферой. Давление над диафрагмой стабилизатора автоматически поддерживается постоянным, поэтому истечение воздуха из резервуара УР через отверстие Н происходит постоянным темпом независимо от величины сверхзарядного давления. При помощи регулировочной упорки можно установить любой темп понижения давления. Нормальное понижение давления с 0,6 МПа до 0,58 МПа должно происходить за 80-120с. Стабилизатор постоянно подключен к редуктору поэтому дутье через дроссельное отверстие стабилизатора сохраняется во всех положениях крана.
Отпуск II положением рукоятки контроллера
Если при отпуске тормозов рукоятку контроллера перевести не в I положение, а во II положение то управляющая полость реле С быстро наполнится из питательной магистрали через питательный клапан редуктора до давления 0,4-0,45 МПа., до этой же величины возрастет давление в ТМ, после этого наполнение ТМ до зарядного давления, т.е. давления отрегулированного редуктором, будет происходить одновременно с наполнением УР. Наполнение уравнительного резервуара происходит медленно из управляющей полости реле давления С через дроссельное отверстие Б. В отличие от крана машиниста 395 здесь нет завышения давления в тормозной магистрали выше зарядного.
III положение - перекрыша без питания (схема 5)
B III положении рукоятки контроллера напряжение подается на вентили В5 и В6. Сообщение клапана редуктора РЕД с управляющей полостью реле С и уравнительным резервуаром прекращается. Полость С и уравнительный резервуар через обратный клапан КО и питательный клапан электропневматического вентиля В6 каналом Р сообщается с тормозной магистралью. Обратный клапан препятствует перетеканию воздуха из тормозной магистрали в уравнительный резервуар. В связи с тем, что давление в уравнительном резервуаре всегда выше давления тормозной магистрали на клапан устанавливается пружина компенсирующая разницу давлений.

Схема 5
IV положение - перекрыша с питанием тормозной магистрали (схема 6)
В IV положении рукоятки контроллера напряжение подается на вентиль В5. Диафрагма реле давления РД и малый питательный клапан поддерживают давление в ТМ, равное давлению в полости С и уравнительном резервуаре. При снижении давления в ТМ реле восстанавливает его до давления в полости С и при избыточном давлении в тормозной магистрали происходит снижения за счет открытия атмосферного клапана реле.

Схема 6
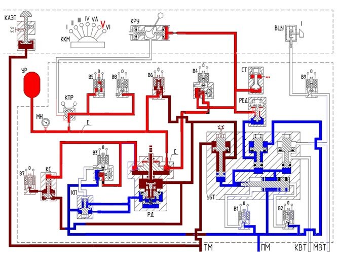
Va - положение – замедленное торможение (схема 7)
В этом положении под напряжением два вентиля В5 и В8. При постановке рукоятки контроллера в Va положение сжатый воздух из полости С реле давления и уравнительного резервуара через открытый клапан вентиля В8 сообщаются с атмосферой чрез дроссельное отверстие в корпусе вентиля равное 0,8 мм, что обеспечивает снижение давления темпом 0,05 МПа за 15-20с.Давление в тормозной магистрали снижается тем же темпом. Это положение необходимо при вождении длинно-составных поездов. При торможении такого поезда первоначально дается ступень торможения служебным темпом и затем рукоятка контроллера переводится в Va положение.

Схема 7
V положение - служебное торможение (схема 8)
В этом положении все вентили обесточены. Сжатый воздух из полости С реле давления и из уравнительного
резервуара по каналу Е через КПР и атмосферный клапан вентиля В5 попадает в атмосферу. Темп разрядки уравнительного резервуара определяется проходным сечением атмосферного клапана вентиля В5 и составляет 0,1 МПа за 4-5с. Под действием избыточного давления в тормозной магистрали диафрагма реле
прогибается вверх и сообщает тормозную магистраль через атмосферный клапан реле с атмосферой.
После перемещения рукоятки контроллера из V в III или IV положения выпуск воздуха из магистрали в атмосферу будет продолжаться до выравнивания давлений в магистрали и уравнительном резервуаре, после чего диафрагма реле переместится вниз и прекратит сообщение тормозной магистрали с атмосферой.
После ступени торможения допускается повышение давления в уравнительном резервуаре на 0,01 МПа и после полного торможения на 0,03 МПа.

Схема 8
VI положение - экстренное торможение (схема 9)
В этом положении рукоятки контроллера подается напряжение на вентиль В7. Все остальные вентили обесточены. При подаче напряжения на вентиль В7 полость над срывным поршнем срывного клапана сообщается с атмосферой. Поршень перемещается вверх открывая атмосферный клапан сообщающий тормозную магистраль с атмосферой. Одновременно сжатый воздух из полости С реле и уравнительного резервуара через каналы К и П также сообщаются с атмосферой. Благодаря быстрому снижению давления в управляющей полости реле открывается атмосферный клапан реле под действием избыточного давления в тормозной магистрали и тормозная магистраль вторым путем сообщается с атмосферой.

Схема 9
Электропневматическое торможение
Управление электропневматическими тормозами осуществляется тем же контроллером. При управлении напряжение на электропневматические вентили электровоздухораспределителя и крана машиниста подается в соответствии с таблицей

- I и II положения рукоятки контроллера - зарядка и отпуск,
- III и IV положения - перекрыша,
- Va положение - торможение без разрядки тормозной магистрали и
- V и VI положение - торможение с разрядкой тормозной магистрали
Управление резервным краном
Для перехода на резервное управление необходимо отключить контроллер, переведя рукоятку в положение экстренного торможения. Далее перевести ручку крана переключения режимов на блоке электропневматических приборов в вертикальное положение и при отключении устройства блокировки тормозов включить его вручную, нажатием на ручной привод вентиля В1.
Отпуск (схема 10)
Для отпуска и зарядки ручку крана перевести в отпускное положение. Сжатый воздух из питательной магистрали через устройство блокировки тормозов по каналу В, питательный клапан редуктора РЕД, по каналу Т и далее трубопроводу поступает к резервному крану. В отпускном положении кулачком открывается питательный клапан сообщающий редуктор РЕД через кран переключения режимов с полостью С реле давления и уравнительным резервуаром. Реле давления наполнит ТМ до давления в полости С т.е. до давления, на которое отрегулирован редуктор.

Схема 10
Перекрыша (схема 11)
В положении перекрыши оба клапана резервного крана закрыты. Давление в тормозной магистрали поддерживает реле давления, как и при управлении контроллером.

Схема 11
Торможение (схема 12)
Для торможения ручку КРУ необходимо поставить в тормозное положение. В этом положении открывается атмосферный клапан сообщающий УР и полость С реле давления с атмосферой. Темп разрядки соответствует темпу служебного торможения.

Схема 12
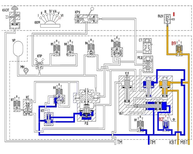
Окончание работы. Смена кабин управления (схемы 13,14)
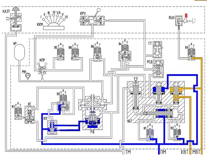
Перед тем как покинуть кабину необходимо перевести рукоятку контроллера в VI положение, ручку крана управления вспомогательным тормозом перевести в положение полного торможения. После того, как в ТМ снизится давление сжатого воздуха до 0,09 0,01 МПа, а в тормозном цилиндре давление будет выше 0,3 МПа ключ ВЦУ перевести во II положение (на 90 градусов против часовой стрелки), выдержать 3-4 с. Во II положении ключа (схема 14 ) подается напряжение на вентиль В2. Сжатый воздух из питательной магистрали через клапан вентиля В2 поступает в полость Ф под распределительный поршень УБТ перекидывает его, сообщая полости над клапанами с атмосферой. Клапана под действием пружин закрываются. Далее ключ можно перевести в III положение (еще на 90 градусов против часовой стрелки) и вынуть из гнезда. (схема 15)

Схема 13

Схема 14

Схема 15
Управление автоматическими системами САУТ и другими производится подачей электрических сигналов на электронный блок БЭПП через его штепсельные разъемы.
В каждой секции локомотива устанавливаются по одному комплекту крана машиниста.
В локомотиве с двумя кабинами управления контроллер, клапан аварийного экстренного торможения, выключатель цепей управления и кран резервного управления устанавливаются в каждой кабине, а исполнительный блок БЭПП с сигнализаторами давления устанавливается один на две кабины. Для отключения резервного крана в недействующей кабине дополнительно устанавливается переключательный клапан.
В начало страницы
|